Raltron晶振,石英晶體諧振器,HC-49/S晶振
頻率:3.5M~70MHZ
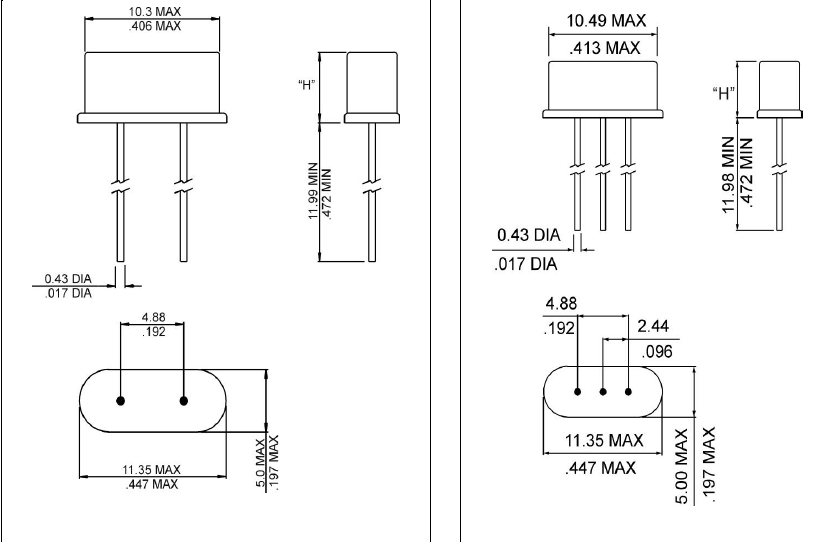
尺寸:11.4X4.5mm
Raltron晶振公司成立于1983年,是全球較受歡迎的石英晶振,貼片晶振,壓電石英晶體等頻率產品制造商之一.從簡單的音叉晶體到高穩定性的可編程晶體振蕩器,Raltron提供了行業中最全面的頻率管理設備.多年來,公司致力于石英晶振,貼片晶振,石英晶體振蕩器,有源晶振的研究和開發,使得石英晶體,石英晶體振蕩器的技術不斷創新.如今Raltron晶振公司提供高性能的頻率控制解決方案,在價格、質量、應用程序工程和客戶支持方面滿足和超越客戶期望.
拉隆晶振為了滿足快速增長的無線應用市場的需求,Raltron晶振將自己打造成為一個完整的解決方案供應商,在它的石英晶體,石英水晶和晶體振蕩器,貼片振蕩器中添加了鋸片和LTCC過濾器.該公司還為同一市場開發了一整套天線產品.
Raltron晶振通過線上銷售來支持其全球客戶,并且在亞洲有幾家分支機構,所銷售的石英晶體,貼片晶振,石英晶振,溫補晶振,石英晶體振蕩器等由幾家大型全球分銷商發行.
Raltron石英晶振集團加強環境意識教育,提高全員環境意識,充分調動職工的積極性,積極使用壓電石英晶體元器件、壓電石英晶體、有源晶體、(PXO)普通晶體振蕩器,(TCXO)溫補晶體振蕩器,(OCXO)恒溫晶體振蕩器等環保型原材料,減少生產過程中的廢棄物產生量,努力向相關方施加環境影響.
Raltron晶振,石英晶體諧振器,HC-49/S晶振,插件石英晶振最適合用于比較低端的電子產品,比如兒童玩具,普通家用電器,即使在汽車電子領域中也能使產品高可靠性的使用.并且可用于安全控制裝置的CPU時鐘信號發生源部分,好比時鐘單片機上的石英晶振,在極端嚴酷的環境條件下,晶振也能正常工作,具有穩定的起振特性,高耐熱性,耐熱循環性和耐振性等的高可靠性能,由于在49/S形石英晶體諧振器的底部裝了樹脂底座,就可作為產品電氣特性和高可靠性無受損的表面貼片型晶體諧振器使用,滿足無鉛焊接的回流溫度曲線要求.
晶振的真空封裝技術:是指石英晶振在真空封裝區域內進行封裝.1.防止外界氣體進入組件體內受到污染和增加應力的產生;2.使晶振組件在真空下電阻減小;3.氣密性高.此技術為研發及生產超小型、超薄型石英晶振必須攻克的關鍵技術之一
Raltron晶振規格 |
單位 |
HC-49/S晶振頻率范圍 |
石英晶振基本條件 |
標準頻率 |
f_nom |
3.5MHZ~70MHZ |
標準頻率 |
儲存溫度 |
T_stg |
-55°C ~ +125°C |
裸存 |
工作溫度 |
T_use |
-40°C ~ +85°C |
標準溫度 |
激勵功率 |
DL |
200μW Max. |
推薦:1μW ~ 100μW |
頻率公差 |
f_— l |
±50 × 10-6 (標準), |
+25°C 對于超出標準的規格說明, |
頻率溫度特征 |
f_tem |
±30 × 10-6/-20°C ~ +70°C |
超出標準的規格請聯系我們. |
負載電容 |
CL |
8pF ,10PF,12PF,20PF |
不同負載電容要求,請聯系我們. |
串聯電阻(ESR) |
R1 |
如下表所示 |
-40°C — +85°C, DL = 100μW |
頻率老化 |
f_age |
±5 × 10-6 / year Max. |
+25°C,第一年 |
在使用Raltron晶振時應注意以下事項:
1:抗沖擊
抗沖擊是指晶振產品可能會在某些條件下受到損壞.例如從桌上跌落,摔打,高空拋壓或在貼裝過程中受到沖擊.如果產品已受過沖擊請勿使用.因為無論何種石英晶振,其內部晶片都是石英晶振制作而成的,高空跌落摔打都會給晶振照成不良影響.
2:輻射
將貼片晶振暴露于輻射環境會導致產品性能受到損害,因此應避免陽光長時間的照射.Raltron石英晶振,石英晶體諧振器,HC-49/S晶振
3:化學制劑 / pH值環境
請勿在PH值范圍可能導致腐蝕或溶解石英晶振或包裝材料的環境下使用或儲藏這些產品.
4:粘合劑
請勿使用可能導致石英晶振所用的封裝材料,終端,組件,玻璃材料以及氣相沉積材料等受到腐蝕的膠粘劑.(比如,氯基膠粘劑可能腐蝕一個晶振的金屬“蓋”,從而破壞密封質量,降低性能.)
5:鹵化合物
請勿在鹵素氣體環境下使用晶振.即使少量的鹵素氣體,比如在空氣中的氯氣內或封裝所用金屬部件內,都可能產生腐蝕.同時,請勿使用任何會釋放出鹵素氣體的樹脂.
6:靜電
過高的靜電可能會損壞貼片晶振,請注意抗靜電條件.請為容器和封裝材料選擇導電材料.在處理的時候,請使用電焊槍和無高電壓泄漏的測量電路,并進行接地操作.
深圳市億金電子有限公司 SHENZHEN YIJIN ELECTRONICS CO;LTD
聯系人黃娜:18924600166
工作QQ:857950243
貿易通:yijindz2014
座機:0755-27876565
郵箱:yijindz@163.com
微信:yijindz,公眾號:NDKcrystal
地址:廣東省深圳市寶安區107國道旁甲岸路
跟此產品相關的產品 / Related Products
- M3028S00970.656000,M3028差分晶振,VCXO有源壓控晶振
- M3028S00970.656000,M3028差分晶振,VCXO有源壓控晶振,具備70.656000MHz的精準標稱頻率,頻率精度達工業級高標準,可滿足高頻場景下對時鐘信號的嚴苛要求.作為有源VCXO壓控晶振,其核心參數設計貼合復雜電路需求:標準工作條件下頻率穩定度控制在±25ppm以內,同時支持寬電壓輸入(典型范圍3.0V-3.6V),適配不同供電體系的設備.此外,該型號的壓控電壓范圍(通常為0.5V-2.5V)覆蓋行業通用標準,通過外部電壓調節可實現±100ppm的頻率牽引范圍,為設備時鐘信號的動態校準提供充足調整空間,尤其適配需實時頻率補償的場景.
- M324TCN50.000000,HCMOS輸出晶振,7050表面貼裝晶振
- M324TCN50.000000,HCMOS輸出晶振,7050表面貼裝晶振,是一款定位高精度時鐘應用的晶振產品,具備50.000000MHz的標稱頻率,頻率精度達到工業級高標準,能為設備提供穩定的高頻時鐘信號支撐.作為專為高頻場景設計的型號,其核心參數嚴格符合行業規范,例如在標準工作條件下,頻率穩定度可控制在±20ppm以內,確保信號輸出的精準性.同時,該晶振適配寬電壓輸入范圍(通常支持2.5V-5.5V),兼容不同電路供電需求,無論是低功耗設備還是高負載系統,均能穩定適配,為后續電路設計提供靈活的供電選擇空間.
- M2532S1357.372800,M2532系列晶振,MTRONPTI麥特倫皮
- M2532S1357.372800,M2532系列晶振,MTRONPTI麥特倫皮,具備精準的7.372800MHz標稱頻率,這一頻率值專為需高精度晶振時鐘信號的場景設計,如串口通信,實時時鐘(RTC)模塊等.作為M2532系列的代表性產品,其采用工業級標準封裝,尺寸與電氣接口符合系列統一規范,可與同系列其他頻率型號實現無縫替換,極大降低了設備迭代時的適配成本.同時,該型號支持寬電壓輸入范圍與穩定的負載電容特性,在-40℃~85℃的工業級工作溫度區間內,能保持頻率穩定度在±20ppm以內,滿足惡劣環境下的長期可靠運行需求.
晶振系列
日本進口晶振
- 京瓷晶振
- 精工晶振
- 西鐵城晶振
- 村田晶振
- 大河晶振
- KDS Quartz crystal
- NDK Quartz crystal
- EPSON Quartz crystal
- 富士晶振
- NAKA晶振
- SMI晶振
- NJR晶振
臺產晶振
歐美晶振
- CTS晶振
- 微晶晶振
- 瑞康晶振
- 康納溫菲爾德晶振
- 高利奇晶振
- Jauch晶振
- AbraconCrystal晶振
- 維管晶振
- ECScrystal晶振
- 日蝕晶振
- 拉隆晶振
- 格林雷晶振
- SiTimeCrystal晶振
- IDTcrystal晶振
- PletronicsCrystal晶振
- StatekCrystal晶振
- AEK晶振
- AEL晶振
- Cardinal晶振
- Crystek晶振
- Euroquartz晶振
- 福克斯晶振
- Frequency晶振
- GEYER晶振
- ILSI晶振
- KVG晶振
- MMDCOMP晶振
- MtronPTI晶振
- QANTEK晶振
- QuartzCom晶振
- QuartzChnik晶振
- SUNTSU晶振
- Transko晶振
- WI2WI晶振
- 韓國三呢晶振
- ITTI晶振
- ACT晶振
- Milliren晶振
- Lihom晶振
- rubyquartz晶振
- Oscilent晶振
- SHINSUNG晶振
- PDI晶振
- C-TECH晶振
- IQD晶振
- Microchip晶振
- Silicon晶振
- Fortiming晶振
- CORE晶振
- NIPPON晶振
- NIC晶振
- QVS晶振
- Bomar晶振
- Bliley晶振
- GED晶振
- FILTRONETICS晶振
- STD晶振
- Q-Tech晶振
- Anderson晶振
- Wenzel晶振
- NEL晶振
- EM晶振
- PETERMANN晶振
- FCD-Tech晶振
- HEC晶振
- FMI晶振
- Macrobizes晶振
- AXTAL晶振
- 瑞薩renesas晶振
- Skyworks晶振
有源晶振
霧化片
貼片晶振
32.768K
- 32.768K有源晶振
- 8.0x3.8晶振
- 7.1x3.3晶振
- 7.0x1.5晶振
- 5.0x1.8晶振
- 4.1x1.5晶振
- 3.2x1.5晶振
- 2.0x1.2晶振
- 1.6x1.0晶振
- 1.2x1.0晶振
- 圓柱晶振
聲表面濾波器
石英晶振
KDS晶振
愛普生晶振
- EPSON 32.768K晶振
- EPSON無源晶振
- EPSON普通有源晶振
- EPSON壓控晶振
- EPSON溫補晶振
- EPSON壓控溫補晶振
- EPSON恒溫晶振
- EPSON差分晶振
- EPSON可編程晶振