-
-
愛普生晶振,32.768K晶振,MC-146晶振,Q13MC1461000200晶振
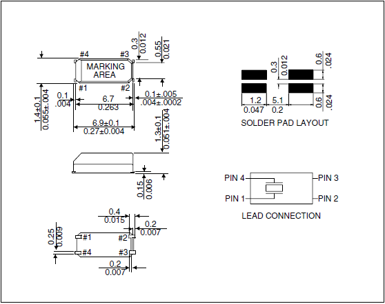
頻率:32.768KHZ尺寸:7.0x1.5mm32.768K系列產品本身具有體積小,厚度薄,重量輕等特點,此音叉型石英晶體諧振器,晶振產品本身具備優良的耐熱性,耐環境特性,在辦公自動化,家電領域,移動通信領域可發揮優良的電氣特性,符合無鉛標準,滿足無鉛焊接的回流溫度曲線要求,金屬外殼的石英晶振使得產品在封裝時能發揮比陶瓷晶振外殼更好的耐沖擊性能.
-
-
KX-327L晶振,12.87131,GEYER晶振,32.768KHz,12.5pF,±20ppm,7015諧振器
頻率:32.768kHz尺寸:7.0×1.5×1.4mmKX-327L晶振,12.87131,GEYER晶振,32.768KHz,12.5pF,±20ppm,7015諧振器
進口GEYER晶振中編碼為12.87131的KX-327L晶振,其頻率為32.768KHz,頻率公差是±20ppm,負載電容為12.5pF,是進口無源晶振,其尺寸為7.0×1.5×1.4mm,一般也稱呼為7015諧振器、32.768K時鐘晶振。幾十年來,GEYER Electronic一直是頻率產品、石英晶體、振蕩器和陶瓷諧振器的領先制造商之一,成立于 1964 年,總部設在德國以及歐洲、亞洲和美國的其他地方,為全球客戶提供服務。
-
-
WC146SMF-32.768KHZ-T,7015mm,Mmdcomp陶瓷諧振器
頻率:32.768KHz尺寸:7.0x1.5x1.4mmWC146SMF-32.768KHZ-T,7015mm,Mmdcomp陶瓷諧振器,美國進口晶振,Mmdcomp晶振,麥迪康晶振,型號:WC146SM,編碼為:WC146SMF-32.768KHZ-T,頻率為:32.768KHz,負載:12.5pF,精度:±20ppm,工作溫度范圍:-40℃至+85℃,小體積晶振尺寸:7.0x1.5x1.4mm陶瓷SMD封裝,四腳貼片晶振,無源晶振,陶瓷諧振器,7015晶振,石英晶體諧振器。具有超小型,輕薄型,高性能,高品質,耐熱及耐環境特點。應用于:通訊設備晶振,鐘表電子晶振,數字顯示晶振,電腦主板晶振,數碼電子等應用。
-
-
Rubyquartz晶振,H14晶振,RSE-32.768KHZ-12.5pF-H14-TR晶振
頻率:32.768KHZ尺寸:7.0*1.5mm32.768K時鐘晶振具有小型,薄型,輕型的貼片表面音叉型晶體振蕩器,產品具有優良的耐熱性,耐環境特性,可發揮晶振優良的電氣特性,符合RoHS規定,滿足無鉛焊接的高溫回流溫度曲線要求,金屬外殼的封裝使得產品在封裝時能發揮比陶瓷振蕩器外殼更好的耐沖擊性.
-
-
SHINSUNG晶振,TF-38S晶振,TF-38S-20-32.768KHz-12.5pF晶振
頻率:32.768KHZ尺寸:7.0*1.5mm貼片表晶32.768K系列具有超小型,薄型,質地輕的表面貼片音叉型石英晶體振蕩器,晶振產品本身具備優良的耐熱性,耐環境特性,在辦公自動化,家電領域,移動通信領域可發揮優良的電氣特性,符合無鉛標準,滿足無鉛焊接的回流溫度曲線要求,金屬外殼的石英晶振使得產品在封裝時能發揮比陶瓷晶振外殼更好的耐沖擊性能.
-
-
KDS晶振代理商,1TJS060FJ4A308晶振,8038石英晶體諧振器
頻率:32.768K尺寸:8.0*3.8*2.5KDS晶振是日本一線的品牌晶振,生產的32.768K晶振完完全全決定產品時間的精確度,DMX-26S晶振多用于數字電路板,1TJS125BJ4A421P晶振是產品主板的重要頻率元件,若數字電路板的時鐘晶振損壞,則會導致時鐘停止工作.
-
-
臺灣晶技晶振,32.768K晶振,9HT7晶振
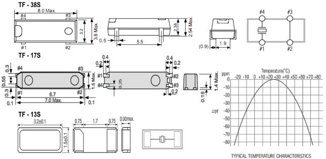
頻率:32.768KHZ尺寸:6.9x1.4mm32.768K貼片石英晶體諧振器,又簡稱為排帶包裝,這是這產品采用排帶盤式包裝,使產品在焊接時能采用SMT自動貼片機高速的焊接,大大節約人工,提高工作效率.32.768KHz千赫子時鐘晶體,其本身主要應用在時鐘控制產品,或者是控制模塊,主要給時鐘芯片提供一個基準信號,其主要各項功能還得看應用何種產品.本產品具有小型,薄型,輕型的貼片晶振表面型音叉式石英晶體諧振器,產品具有優良的耐熱性,耐環境特性,可發揮晶振優良的電氣特性,符合RoHS規定,滿足無鉛焊接的高溫回流溫度曲線要求.
-
-
ECS晶振,32.768K晶振,ECX-71晶振,ECS-.327-12.5-38-TR晶振
頻率:32.768KHZ尺寸:7.0x1.5mm32.768KHZ系列,在當今全球晶振市場說的上是質優價廉,產品本身外觀是多種化,體積有大有小,有二個腳SMD焊接模式,也有三個腳SMD焊接模式,一樣有四個腳焊接模式,還有時鐘模塊焊接模式,產品具有無源32.768KHZ,也有帶電壓模式的32.768KHZ晶體系列,產品應用范圍非常廣闊,比如多種電子消費類,手機應用,藍牙多功能播放器,無線通訊產品,平板電腦等多個領域,因32.768KHZ晶體本身外觀款式多元化,所以適合多個產品應用.并且滿足歐盟ROHS環保要求,晶體本身有重量輕,體積小,超薄型等多種優勢,得到市場認可.
-
-
Jauch晶振,32.768K晶振,SMQ32SN晶振
頻率:32.768KHZ尺寸:7.0x1.5mm32.768KHz千赫子時鐘晶體,其本身主要應用在時鐘控制產品,或者是控制模塊,主要給時鐘芯片提供一個基準信號,其主要各項功能還得看應用何種產品.本產品具有小型,薄型,輕型的貼片晶振表面型音叉式石英晶體諧振器,產品具有優良的耐熱性,耐環境特性,可發揮晶振優良的電氣特性,符合RoHS規定,滿足無鉛焊接的高溫回流溫度曲線要求,金屬外殼的封裝使得產品在封裝時能發揮比陶瓷諧振器外殼更好的耐沖擊性.
-
-
西迪斯晶振,32.768K晶振,TFPMN晶振
頻率:32.768KHZ尺寸:6.9x1.4mm32.768KHZ系列,在當今全球晶振市場說的上是質優價廉,產品本身外觀是多種化,體積有大有小,有二個腳SMD焊接模式,也有三個腳SMD焊接模式,一樣有四個腳焊接模式,還有時鐘模塊焊接模式,產品具有無源32.768KHZ,也有帶電壓模式的32.768KHZ晶體系列,產品應用范圍非常廣闊,比如多種電子消費類,手機應用,藍牙多功能播放器,無線通訊產品,平板電腦等多個領域,因32.768KHZ晶體本身外觀款式多元化,所以適合多個產品應用.并且滿足歐盟ROHS環保要求,晶體本身有重量輕,體積小,超薄型等多種優勢,得到市場認可.
-
-
泰藝晶振,貼片晶振,XN6914晶振
頻率:32.768KHZ尺寸:6.9x1.4mm32.768K系列產品本身具有體積小,厚度薄,重量輕等特點,此音叉型石英晶體諧振器,晶振產品本身具備優良的耐熱性,耐環境特性,在辦公自動化,家電領域,移動通信領域可發揮優良的電氣特性,符合無鉛標準,滿足無鉛焊接的回流溫度曲線要求.
-
-
精工晶振,貼片晶振,SSP-T7-F晶振,Q-SPT7P0327620C5GF晶振
頻率:32.768KHz尺寸:7.0x1.5mm32.768K系列產品本身具有體積小,厚度薄,重量輕等特點,此音叉型石英晶體諧振器,晶振產品本身具備優良的耐熱性,耐環境特性,在辦公自動化,家電領域,移動通信領域可發揮優良的電氣特性,符合無鉛標準,滿足無鉛焊接的回流溫度曲線要求,金屬外殼的石英晶振使得產品在封裝時能發揮比陶瓷晶振外殼更好的耐沖擊性能.
-
-
精工晶振,SMD晶振,SSP-T7-FL晶振
頻率:32.768KHz尺寸:7.0*1.5*1.4mm工作溫度:-40℃~+85℃
保存溫度:-55℃~+125℃
負載電容:12.5pF
小型貼片石英晶振,外觀尺寸具有薄型表面貼片型石英晶體諧振器,特別適用于有小型化要求的市場領域,比如智能手機,無線藍牙,平板電腦等電子數碼產品.
-
-
精工晶振,音叉表晶,SSP-T7-F晶振
頻率:32.768KHz尺寸:7.0*1.5*1.4mm工作溫度:-40℃~+85℃
保存溫度:-55℃~+125℃
負載電容:12.5pF
貼片表晶32.768K系列具有超小型,薄型,質地輕的表面貼片音叉型石英晶體諧振器,符合無鉛標準,滿足無鉛焊接的回流溫度曲線要求,金屬外殼的石英晶振使得產品在封裝時能發揮比陶瓷晶振外殼更好的耐沖擊性能.
-
-
西鐵城晶振,貼片晶振,CM130晶振,CM13032768DZFT晶振
頻率:32.768KHZ尺寸:7.0*1.5mm貼片石英晶體諧振器,又簡稱為排帶包裝,這是這產品采用排帶盤式包裝,使產品在焊接時能采用SMT自動貼片機高速的焊接,大大節約人工,提高工作效率.32.768KHz千赫子時鐘晶體,其本身主要應用在時鐘控制產品
最新資訊 / News

關于無源晶振有源晶振不同之處的分析報告
-
關于無源晶振有源晶振不同之處的分析報告
【更多詳情】無源晶體--無源晶體需要用DSP片內的振蕩器,在datasheet上有建議的連接方法.無源晶體沒有電壓的問題,信號電平是可變的,也就是說是根據起振電路來決定的,同樣的石英晶振晶體可以適用于多種電壓,可用于多種不同時鐘信號電壓要求的DSP,而且價格通常也較低,因此對于一般的應用如果條件許可建議用晶體.
有源晶振--石英晶體振蕩器,壓控晶振,溫補晶振等均屬于有源晶振,是相較于無源晶振不需要DSP的內部振蕩器,信號質量好,比較穩定,而且連接方式相對簡單(主要是做好電源濾波,通常使用一個電容和電感構成的PI型濾波網絡,輸出端用一個小阻值的電阻過濾信號即可),不需要復雜的配置電路.
- 2022-09-28 低相位抖動差分晶振X1G005221003400滿足產品低消耗電流的特點
- 2022-09-14 無線模塊應用晶振FA-238編碼Q22FA2380006500
- 2017-11-02 OPPOR11S強勢來襲肯定還會成為爆款,石英晶振廠家帶你感受這抹時尚風
- 2018-11-29 大真空XXD26000JHC溫補晶振原廠編碼
- 2023-04-27 CVCO55CW-3500-4500非常適合衛星通信系統應用
- 2022-10-24 ECS推出ECS-.327-12.5-34QS-TR專為無線通信而來的SMD晶體
- 2022-09-13 用于高速網絡要求的應用SG5032VAN晶振X1G004261007100
- 2022-10-08 智能交通燈控制器專用晶振X1E000251001100
- 2022-10-22 SMD音叉晶體ECS-.327-12.5-12-TR非常適合實時時鐘和工業應用
- 2022-09-26 常用封裝2520mm晶振Q24FA20H0007300用于藍牙模塊晶振應用
- 2022-09-19 溫補石英晶體振蕩器X1G005391001900為通訊模塊專用晶振
- 2023-03-30 SMD-49晶振1AJ240006AEA專用于車載控制器應用
- 2019-04-27 福克斯的超小型1612溫補晶振型號介紹
- 2019-05-07 SMD晶振能夠幫助智能手機再次獲得消費者欣喜的眼球嗎?
- 2019-04-30 拆解華為P30 Pro:同時鑲入4個攝像頭是如何做到的?
- 2022-09-30 LV-PECL輸出差分晶振X1G005491003000用于車載導航應用
晶振系列
日本進口晶振
- 京瓷晶振
- 精工晶振
- 西鐵城晶振
- 村田晶振
- 大河晶振
- KDS Quartz crystal
- NDK Quartz crystal
- EPSON Quartz crystal
- 富士晶振
- NAKA晶振
- SMI晶振
- NJR晶振
臺產晶振
歐美晶振
- CTS晶振
- 微晶晶振
- 瑞康晶振
- 康納溫菲爾德晶振
- 高利奇晶振
- Jauch晶振
- AbraconCrystal晶振
- 維管晶振
- ECScrystal晶振
- 日蝕晶振
- 拉隆晶振
- 格林雷晶振
- SiTimeCrystal晶振
- IDTcrystal晶振
- PletronicsCrystal晶振
- StatekCrystal晶振
- AEK晶振
- AEL晶振
- Cardinal晶振
- Crystek晶振
- Euroquartz晶振
- 福克斯晶振
- Frequency晶振
- GEYER晶振
- ILSI晶振
- KVG晶振
- MMDCOMP晶振
- MtronPTI晶振
- QANTEK晶振
- QuartzCom晶振
- QuartzChnik晶振
- SUNTSU晶振
- Transko晶振
- WI2WI晶振
- 韓國三呢晶振
- ITTI晶振
- ACT晶振
- Milliren晶振
- Lihom晶振
- rubyquartz晶振
- Oscilent晶振
- SHINSUNG晶振
- PDI晶振
- C-TECH晶振
- IQD晶振
- Microchip晶振
- Silicon晶振
- Fortiming晶振
- CORE晶振
- NIPPON晶振
- NIC晶振
- QVS晶振
- Bomar晶振
- Bliley晶振
- GED晶振
- FILTRONETICS晶振
- STD晶振
- Q-Tech晶振
- Anderson晶振
- Wenzel晶振
- NEL晶振
- EM晶振
- PETERMANN晶振
- FCD-Tech晶振
- HEC晶振
- FMI晶振
- Macrobizes晶振
- AXTAL晶振
- 瑞薩renesas晶振
- Skyworks晶振
有源晶振
霧化片
貼片晶振
32.768K
- 32.768K有源晶振
- 8.0x3.8晶振
- 7.1x3.3晶振
- 7.0x1.5晶振
- 5.0x1.8晶振
- 4.1x1.5晶振
- 3.2x1.5晶振
- 2.0x1.2晶振
- 1.6x1.0晶振
- 1.2x1.0晶振
- 圓柱晶振
聲表面濾波器
石英晶振
KDS晶振
愛普生晶振
- EPSON 32.768K晶振
- EPSON無源晶振
- EPSON普通有源晶振
- EPSON壓控晶振
- EPSON溫補晶振
- EPSON壓控溫補晶振
- EPSON恒溫晶振
- EPSON差分晶振
- EPSON可編程晶振

全球咨詢熱線
手機端


億金公眾號
億金微信號


