Raltron晶振,插件晶振,C-1晶振,D-1晶振
頻率:12.5KHZ~25KHZ
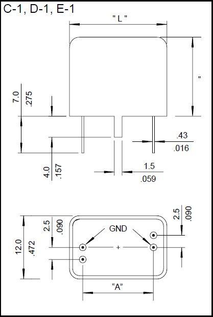
尺寸:9.0x15.0mm
石英晶振,外觀完全使用金屬材料封裝的,產品本身采用全自動石英晶體檢測儀,以及跌落,漏氣等苛刻實驗.產品本身具有高穩定性,高可靠性的石英晶體諧振器,焊接方面支持表面貼裝,外觀采用金屬封裝,具有充分的密封性能,晶振本身能確保其高可靠性,采用編帶包裝,可對應產品應用到自動貼片機告訴安裝,滿足無鉛焊接的高溫回流溫度曲線要求
Raltron晶振通過線上銷售來支持其全球客戶,并且在亞洲有幾家分支機構,所銷售的石英晶體,貼片晶振,石英晶振,溫補晶振,石英晶體振蕩器等由幾家大型全球分銷商發行.
Raltron拉隆晶振公司在其位于邁阿密的工廠生產一些較為高端精密的石英晶體振蕩器,有源晶振,溫補振蕩器.相對于一些石英晶體諧振器,石英晶體,貼片晶振,時鐘振蕩器以及過濾器,陶瓷諧振器,濾波器等則是在國內幾個工廠生產.通過將這些產品從香港的物流中心運往世界各地,Raltron晶振公司全體員工均以追求完美的服務以及卓越的品質為工作理念.
Raltron積極努力追求一流的生產技術以滿足客戶的需求,滿足客戶對于質優價廉的石英晶振,貼片晶振,石英晶體振蕩器等頻率元件的市場需求.Raltron石英晶振,貼片晶體,石英晶體諧振器,石英晶體,壓電石英晶體元器件、壓電石英晶體、有源晶體具有精確的頻率容差和穩定性,有源晶振的頻率范圍廣,封裝尺寸小,具有低相位噪聲和低抖動等特點.
Raltron晶振,插件晶振,C-1晶振,D-1晶振,石英晶振最適合用于比較低端的電子產品,比如兒童玩具,普通家用電器,即使在汽車電子領域中也能使產品高可靠性的使用.并且可用于安全控制裝置的CPU時鐘信號發生源部分,好比時鐘單片機上的石英晶振,在極端嚴酷的環境條件下,晶振也能正常工作,具有穩定的起振特性,高耐熱性,耐熱循環性和耐振性等的高可靠性能,滿足無鉛焊接的回流溫度曲線要求.
石英晶振真空退火技術:晶振高真空退火處理是消除貼片晶振在加工過程中產生的應力及輕微表面缺陷.在PLC控制程序中輸入已設計好的溫度曲線,使真空室溫度跟隨設定曲線對晶體組件進行退火,石英晶振通過合理的真空退火技術可提高晶振主要參數的穩定性,以及提高石英晶振的年老化特性.
Raltron晶振規格 |
單位 |
C-1晶振,D-1晶振頻率范圍 |
石英晶振基本條件 |
標準頻率 |
f_nom |
12.5KHZ~25KHZ |
標準頻率 |
儲存溫度 |
T_stg |
-55°C ~ +125°C |
裸存 |
工作溫度 |
T_use |
-40°C ~ +85°C |
標準溫度 |
激勵功率 |
DL |
200μW Max. |
推薦:1μW ~ 100μW |
頻率公差 |
f_— l |
±50 × 10-6 (標準), |
+25°C 對于超出標準的規格說明, |
頻率溫度特征 |
f_tem |
±30 × 10-6/-20°C ~ +70°C |
超出標準的規格請聯系我們. |
負載電容 |
CL |
8pF ,10PF,12PF,20PF |
不同負載電容要求,請聯系我們. |
串聯電阻(ESR) |
R1 |
如下表所示 |
-40°C — +85°C, DL = 100μW |
頻率老化 |
f_age |
±5 × 10-6 / year Max. |
+25°C,第一年 |
在使用Raltron晶振時應注意以下事項:
晶振產品使用每種產品時,請在石英晶振規格說明或產品目錄規定使用條件下使用.因很多種晶振產品性能,以及材料有所不同,所以使用注意事項也有所不同,比如焊接模式,運輸模式,保存模式等等,都會有所差別.
晶振產品的設計和生產直到出廠,都會經過嚴格的測試檢測來滿足它的規格要求.通過嚴格的出廠前可靠性測試以提供高質量高的可靠性的石英晶振.但是為了石英晶振的品質和可靠性,必須在適當的條件下存儲,安裝,運輸.請注意以下的注意事項并在最佳的條件下使用產品,我們將對于客戶按自己的判斷而使用石英晶振所導致的不良不負任何責任.
1:機械振動的影響
當晶振產品上存在任何給定沖擊或受到周期性機械振動時,比如:壓電揚聲器,壓電蜂鳴器,以及喇叭等,輸出頻率和幅度會受到影響.這種現象對通信器材通信質量有影響.盡管晶振產品設計可最小化這種機械振動的影響,我們推薦事先檢查并按照下列安裝指南進行操作.Raltron石英晶振,插件晶振,C-1晶振,D-1晶振
2:PCB設計指導
(1) 理想情況下,機械蜂鳴器應安裝在一個獨立于晶體器件的PCB板上.如果您安裝在同一個PCB板上,最好使用余量或切割PCB.當應用于PCB板本身或PCB板體內部時,機械振動程度有所不同.建議遵照內部板體特性.
(2) 在設計時請參考相應的推薦封裝.
(3) 在使用焊料助焊劑時,按JIS標準(JIS C 60068-2-20/IEC 60,068-2-20).來使用.
(4) 請按JIS標準(JIS Z 3282, Pb 含量 1000ppm, 0.1wt% 或更少)來使用無鉛焊料.
存儲事項
(1) 在更高或更低溫度或高濕度環境下長時間保存晶振時,會影響頻率穩定性或焊接性.請在正常溫度和濕度環境下保存這些石英晶振產品,并在開封后盡可能進行安裝,以免長期儲藏.
正常溫度和濕度:
溫度:+15°C 至 +35°C,濕度 25 % RH 至 85 % RH(請參閱“測試點JIS C 60068-1 / IEC 60068-1的標準條件”章節內容).
(2) 請仔細處理內外盒與卷帶.外部壓力會導致卷帶受到損壞.
深圳市億金電子有限公司 SHENZHEN YIJIN ELECTRONICS CO;LTD
聯系人黃娜:18924600166
工作QQ:857950243
貿易通:yijindz2014
座機:0755-27876565
郵箱:yijindz@163.com
微信:yijindz,公眾號:NDKcrystal
地址:廣東省深圳市寶安區107國道旁甲岸路
跟此產品相關的產品 / Related Products
- 民用設備晶振,日本Murata晶振,進口XRCTD晶振,石英貼片晶體,XRCTD32M000N1P1AR0
- XRCTD32M000N1P1AR0作為日本Murata(村田)晶振旗下的進口XRCTD晶振,展現出卓越的技術特性。它是一款石英貼片晶體,采用高品質石英材料,利用石英的壓電效應產生穩定且精準的振蕩,確保能精準輸出32MHz的頻率。其貼片式封裝設計,便于在電路板上進行表面貼裝,不僅節省空間,還適合自動化生產,提高生產效率,滿足現代民用設備對小型化、集成化的需求。作為民用設備晶振,它針對民用電子設備的特點進行優化,在保證性能的同時,注重成本效益,為各類民用電子設備提供穩定可靠的時鐘信號。
- GSX-1A晶振,進口陶瓷晶振,GSX-1A/554DF-7.3728MHz,7050無源晶體,Golledge貼片晶振
- GSX-1A晶振,進口陶瓷晶振,GSX-1A/554DF-7.3728MHz,7050無源晶體,Golledge貼片晶振 GSX - 1A/554DF - 7.3728MHz 是 Golledge 的進口陶瓷晶振,為 7050 無源晶體貼片晶振。它能輸出精準的 7.3728MHz 頻率,為電子設備提供穩定時鐘信號。無源特性使其電路應用靈活,且具有良好的穩定性和抗干擾能力,可適應不同的工作環境。廣泛應用于通信、工業控制、消費電子等領域,有助于提升電子設備的性能和可靠性,是一款實用的電子元件。
- 藍牙晶振,GSX-333石英晶體,3225無源晶振,Golledge諧振器,GSX-333/112AF-12.0MHz
- 藍牙晶振,GSX-333石英晶體,3225無源晶振,Golledge諧振器,GSX-333/112AF-12.0MHz 在藍牙技術飛速發展的今天,Golledge 的 GSX - 333/112AF - 12.0MHz 石英晶體作為一款關鍵的藍牙晶振,發揮著不可或缺的作用。它屬于 3225 封裝的無源晶振,這種小型化的貼片封裝設計,高度契合藍牙設備對空間和集成度的嚴格要求,廣泛適用于各類藍牙模塊、藍牙耳機、藍牙音箱等產品。該諧振器頻率精準為 12.0MHz,能為藍牙設備提供穩定且精確的時鐘信號。無源設計讓其在電路中使用時更加靈活,可根據不同的藍牙設備電路進行適配。同時,它具備出色的頻率穩定性和抗干擾能力,即使在復雜的電磁環境中,也能有效減少頻率漂移,確保藍牙設備穩定連接和數據傳輸。
晶振系列
日本進口晶振
- 京瓷晶振
- 精工晶振
- 西鐵城晶振
- 村田晶振
- 大河晶振
- KDS Quartz crystal
- NDK Quartz crystal
- EPSON Quartz crystal
- 富士晶振
- NAKA晶振
- SMI晶振
- NJR晶振
臺產晶振
歐美晶振
- CTS晶振
- 微晶晶振
- 瑞康晶振
- 康納溫菲爾德晶振
- 高利奇晶振
- Jauch晶振
- AbraconCrystal晶振
- 維管晶振
- ECScrystal晶振
- 日蝕晶振
- 拉隆晶振
- 格林雷晶振
- SiTimeCrystal晶振
- IDTcrystal晶振
- PletronicsCrystal晶振
- StatekCrystal晶振
- AEK晶振
- AEL晶振
- Cardinal晶振
- Crystek晶振
- Euroquartz晶振
- 福克斯晶振
- Frequency晶振
- GEYER晶振
- ILSI晶振
- KVG晶振
- MMDCOMP晶振
- MtronPTI晶振
- QANTEK晶振
- QuartzCom晶振
- QuartzChnik晶振
- SUNTSU晶振
- Transko晶振
- WI2WI晶振
- 韓國三呢晶振
- ITTI晶振
- ACT晶振
- Milliren晶振
- Lihom晶振
- rubyquartz晶振
- Oscilent晶振
- SHINSUNG晶振
- PDI晶振
- C-TECH晶振
- IQD晶振
- Microchip晶振
- Silicon晶振
- Fortiming晶振
- CORE晶振
- NIPPON晶振
- NIC晶振
- QVS晶振
- Bomar晶振
- Bliley晶振
- GED晶振
- FILTRONETICS晶振
- STD晶振
- Q-Tech晶振
- Anderson晶振
- Wenzel晶振
- NEL晶振
- EM晶振
- PETERMANN晶振
- FCD-Tech晶振
- HEC晶振
- FMI晶振
- Macrobizes晶振
- AXTAL晶振
- 瑞薩renesas晶振
- Skyworks晶振
有源晶振
霧化片
貼片晶振
32.768K
- 32.768K有源晶振
- 8.0x3.8晶振
- 7.1x3.3晶振
- 7.0x1.5晶振
- 5.0x1.8晶振
- 4.1x1.5晶振
- 3.2x1.5晶振
- 2.0x1.2晶振
- 1.6x1.0晶振
- 1.2x1.0晶振
- 圓柱晶振
聲表面濾波器
石英晶振
KDS晶振
愛普生晶振
- EPSON 32.768K晶振
- EPSON無源晶振
- EPSON普通有源晶振
- EPSON壓控晶振
- EPSON溫補晶振
- EPSON壓控溫補晶振
- EPSON恒溫晶振
- EPSON差分晶振
- EPSON可編程晶振