津綻晶振,石英晶振,NXF 3-9晶振
頻率:3.579M~160MHZ
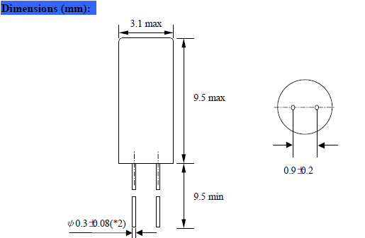
尺寸:3.0x9.0mm
臺灣津綻NSK晶體主要生產產品為全系列石英晶體振蕩子即:石英晶體諧振器,(DIP晶體 SMD 晶體),石英晶體振蕩器 (SMD OSCILLATOR) 和石英晶體控制振蕩器 (SMD晶振 VCXO壓控晶振).
臺灣津綻NSK晶體科技股份有限公司擁有超過 10 年以上的生產經驗,秉持著持續開發與專業技術支持,提供使用者最佳的解決方案及最好的服務質量.NSK是津綻石英科技股份有限公司于全球的銷售品牌,具有良好競爭性的價格及靈活快速的交貨管理.
臺灣津綻NSK晶體的石英水晶振蕩子,陶瓷振動子,32.768K,時鐘晶體,壓電石英晶體產品被廣泛地運用在個人計算器、安全系統、通訊、無線應用、遙控單元和消費性電子產品等,并已陸續獲得國內外計算機及通訊大廠認可及使用.
臺灣津綻NSK晶體科技是專業的石英晶振,有源晶振,壓控振蕩器,陶瓷晶振,聲表面諧振器,貼片晶振制作商,公司創于臺灣1996年成立,創建品牌為【NSK】1997年在香港成立分公司,1998年在深圳成立分部,2001年到廣東省東莞市投資建廠,主要生產石英晶體諧振器,無源晶振,與石英晶體振蕩器,有源晶振,東冠生產線主要生產小尺寸SMD晶體系列.
NSK已獲得ISO 9001 / ISO 14001的質量和環保認證,產品并通過及符合RoHS規范的要求,且確實配合客戶實現無毒產品的要求,以創造及維護美好環境為己任.
津綻晶振公司是世界領先的頻率控制組件制造商:石英晶體、石英晶體振蕩器、壓控晶體振蕩器的主要和關鍵的電子產品的一部分.津綻為客戶提供高質量的晶體組件在電子產品的廣泛使用,例如,無線、電信、網絡、計算機及外圍設備、GSM等通信設備.津綻一直支持臺灣與國際客戶提供質量晶體超過10年.
津綻晶振,石英晶振,NXF 3-9晶振,插件圓柱晶振系列為滿足市場不同產品對精度的要求,通常情況下分為±5PPM、±10PPM、±20PPM,如果有其他特殊要求的客戶也可以分為在精度上分為正偏差以及負偏差.音叉型表晶在產品中使用溫度范圍可以達到—20°到+70°的寬溫要求.插件晶振系列主要使用于較為高端大氣上檔次的汽車電子、智能家用電器、筆記本、插卡音響、智能手表、以及數碼相機等產品中.
石英晶振真空退火技術:晶振高真空退火處理是消除貼片晶振在加工過程中產生的應力及輕微表面缺陷.在PLC控制程序中輸入已設計好的溫度曲線,使真空室溫度跟隨設定曲線對晶體組件進行退火,石英晶振通過合理的真空退火技術可提高晶振主要參數的穩定性,以及提高石英晶振的年老化特性.
NSK晶振規格 |
單位 |
NXF 3-9晶振頻率范圍 |
石英晶振基本條件 |
標準頻率 |
f_nom |
3.5795M~160MHZ |
標準頻率 |
儲存溫度 |
T_stg |
-20°C ~ +70°C |
裸存 |
工作溫度 |
T_use |
-10°C ~ +60°C |
標準溫度 |
激勵功率 |
DL |
200μW Max. |
推薦:1μW ~ 100μW |
頻率公差 |
f_— l |
±50 × 10-6 (標準), |
+25°C 對于超出標準的規格說明, |
頻率溫度特征 |
f_tem |
±30 × 10-6/-20°C ~ +70°C |
超出標準的規格請聯系我們. |
負載電容 |
CL |
10pF~32pF |
超出標準說明,請聯系我們. |
串聯電阻(ESR) |
R1 |
如下表所示 |
-40°C — +85°C, DL = 100μW |
頻率老化 |
f_age |
±5 × 10-6 / year Max. |
+25°C,第一年 |
在使用NSK晶振時應注意以下事項:
安裝時的注意事項導腳型晶振• 構造圓柱晶振 (VT, VTC) 用玻璃密封 (參閱圖 1 和圖 2).
修改插件晶振彎曲導腳的方法(1) 要修改彎曲的導腳時,以及要取出晶振等情況下不能強制拔出導腳,如果強制地拔出導腳,會引起玻璃的破裂,而導致殼內真空濃度的下降,有可能促使晶振特性的惡化以及晶振芯片的破損(參閱圖 3).(2) 要修改彎曲的導腳時,要壓住外殼基側的導腳,且從上下方壓住彎曲的部位,再進行修改(參閱圖 4).
彎曲導腳的方法(1) 將導腳彎曲之后并進行焊接時,導腳上要留下離外殼0.5mm的直線部位.如果不留出導腳的直線部位而將導腳彎曲,有可能導致玻璃的破碎 (參閱圖5 和圖6).(2) 在導腳焊接完畢之后再將導腳彎曲時,務必請留出大于外殼直徑長度的空閑部分 (參閱圖7).
如果直接在外殼部位焊接,會導致殼內真空濃度的下降,使晶振特性惡化以及晶振芯片的破損.應注意將晶振平放時,不要使之與導腳相碰撞,請放長從外殼部位到線路板為止的導腳長度 (L) ,并使之大于外殼的直徑長度(D).
焊接方法焊接部位僅局限于導腳離開玻璃纖部位 1.0mm 以上的部位,并且請不要對外殼進行焊接.另外,如果利用高溫或長時間對導腳部位進行加熱,會導致晶振特性的惡化以及晶振的破損.因此,請注意對導腳部位的加熱溫度要控制在 300°C 以下,且加熱時間要控制在5秒以內 (外殼的部位的加熱溫度要控制在150°C以下).津綻晶振,石英晶振,NXF 3-9晶振
深圳市億金電子有限公司 SHENZHEN YIJIN ELECTRONICS CO;LTD
聯系人黃娜:18924600166
工作QQ:857950243
貿易通:yijindz2014
座機:0755-27876565
郵箱:yijindz@163.com
微信:yijindz,公眾號:NDKcrystal
地址:廣東省深圳市寶安區107國道旁甲岸路
跟此產品相關的產品 / Related Products
- 西鐵城晶振,圓柱晶振,CSA-310晶振,CSA-309晶振,CSA310-4.000MABJ晶振
- 插件晶體具有一致性良好,頻率穩定度高,耐抗震強,每批次出廠均采用24小時老化測試,產品精度分為以下幾種±20ppm,±10ppm,±5ppm,也可以根據客戶需求特殊分為+偏差,或者-偏差,產品使用溫度高溫可達到+85°低溫可達到-40℃,產品被廣泛應用到比較高端的汽車電子產品,民用產品有家用電器,智能筆記本,MP3,MP4多功能播放器,智能手表等產品.
- KDS晶振,石英晶振,AT-38晶振
- 圓柱音叉型石英晶體諧振器產品具有以下幾種規格,∅3*8,∅2*6,圓柱晶振具有一致性良好,頻率穩定度高,耐抗震強,每批次出廠均采用24小時老化測試,產品精度分為以下幾種±20ppm,±10ppm,±5ppm,也可以根據客戶需求特殊分為+偏差,或者-偏差,產品使用溫度高溫可達到+80℃低溫可達到-30℃,產品被廣泛應用到比較高端的汽車電子產品,民用產品有家用電器,智能筆記本,MP3,MP4多功能播放器,智能手表等產品.
- 愛普生晶振,貼片晶振,MA-505晶振,MA-506晶振,MA-505 40.0000M-C0:ROHS
- 石英貼片晶振,外觀尺寸具有薄型表面貼片型石英晶體諧振器,特別適用于有小型化要求的市場領域,比如智能手機,無線藍牙,平板電腦等電子數碼產品.晶振本身超小型,薄型,重量輕,晶體具有優良的耐環境特性,如耐熱性,耐沖擊性,在辦公自動化,家電相關電器領域及Bluetooth,Wireless LAN等短距離無線通信領域可發揮優良的電氣特性,滿足無鉛焊接的回流溫度曲線要求.
晶振系列
日本進口晶振
- 京瓷晶振
- 精工晶振
- 西鐵城晶振
- 村田晶振
- 大河晶振
- KDS Quartz crystal
- NDK Quartz crystal
- EPSON Quartz crystal
- 富士晶振
- NAKA晶振
- SMI晶振
- NJR晶振
臺產晶振
歐美晶振
- CTS晶振
- 微晶晶振
- 瑞康晶振
- 康納溫菲爾德晶振
- 高利奇晶振
- Jauch晶振
- AbraconCrystal晶振
- 維管晶振
- ECScrystal晶振
- 日蝕晶振
- 拉隆晶振
- 格林雷晶振
- SiTimeCrystal晶振
- IDTcrystal晶振
- PletronicsCrystal晶振
- StatekCrystal晶振
- AEK晶振
- AEL晶振
- Cardinal晶振
- Crystek晶振
- Euroquartz晶振
- 福克斯晶振
- Frequency晶振
- GEYER晶振
- ILSI晶振
- KVG晶振
- MMDCOMP晶振
- MtronPTI晶振
- QANTEK晶振
- QuartzCom晶振
- QuartzChnik晶振
- SUNTSU晶振
- Transko晶振
- WI2WI晶振
- 韓國三呢晶振
- ITTI晶振
- ACT晶振
- Milliren晶振
- Lihom晶振
- rubyquartz晶振
- Oscilent晶振
- SHINSUNG晶振
- PDI晶振
- C-TECH晶振
- IQD晶振
- Microchip晶振
- Silicon晶振
- Fortiming晶振
- CORE晶振
- NIPPON晶振
- NIC晶振
- QVS晶振
- Bomar晶振
- Bliley晶振
- GED晶振
- FILTRONETICS晶振
- STD晶振
- Q-Tech晶振
- Anderson晶振
- Wenzel晶振
- NEL晶振
- EM晶振
- PETERMANN晶振
- FCD-Tech晶振
- HEC晶振
- FMI晶振
- Macrobizes晶振
- AXTAL晶振
- 瑞薩renesas晶振
- Skyworks晶振
有源晶振
霧化片
貼片晶振
32.768K
- 32.768K有源晶振
- 8.0x3.8晶振
- 7.1x3.3晶振
- 7.0x1.5晶振
- 5.0x1.8晶振
- 4.1x1.5晶振
- 3.2x1.5晶振
- 2.0x1.2晶振
- 1.6x1.0晶振
- 1.2x1.0晶振
- 圓柱晶振
聲表面濾波器
石英晶振
KDS晶振
愛普生晶振
- EPSON 32.768K晶振
- EPSON無源晶振
- EPSON普通有源晶振
- EPSON壓控晶振
- EPSON溫補晶振
- EPSON壓控溫補晶振
- EPSON恒溫晶振
- EPSON差分晶振
- EPSON可編程晶振