津綻晶振,32.768K,NXF 3-8晶振
頻率:32.768K
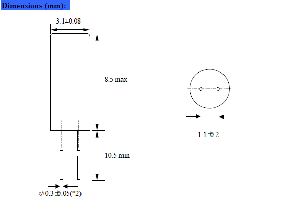
尺寸:3.0x8.0mm
臺灣津綻NSK晶體科技是專業的石英晶振,有源晶振,壓控振蕩器,陶瓷晶振,聲表面諧振器,貼片晶振制作商,公司創于臺灣1996年成立,創建品牌為【NSK】1997年在香港成立分公司,1998年在深圳成立分部,2001年到廣東省東莞市投資建廠,主要生產石英晶體諧振器,無源晶振,與石英晶體振蕩器,有源晶振,東冠生產線主要生產小尺寸SMD晶體系列.
臺灣津綻NSK晶體主要生產產品為全系列石英晶體振蕩子即:石英晶體諧振器,(DIP晶體 SMD 晶體),石英晶體振蕩器 (SMD OSCILLATOR) 和石英晶體控制振蕩器 (SMD晶振 VCXO壓控晶振).
臺灣津綻NSK晶體科技股份有限公司擁有超過 10 年以上的生產經驗,秉持著持續開發與專業技術支持,提供使用者最佳的解決方案及最好的服務質量.NSK是津綻石英科技股份有限公司于全球的銷售品牌,具有良好競爭性的價格及靈活快速的交貨管理.
臺灣津綻NSK晶體的石英水晶振蕩子,陶瓷振動子,32.768K,時鐘晶體,壓電石英晶體產品被廣泛地運用在個人計算器、安全系統、通訊、無線應用、遙控單元和消費性電子產品等,并已陸續獲得國內外計算機及通訊大廠認可及使用.
NSK已獲得ISO 9001 / ISO 14001的質量和環保認證,產品并通過及符合RoHS規范的要求,且確實配合客戶實現無毒產品的要求,以創造及維護美好環境為己任.
津綻晶振公司是世界領先的頻率控制組件制造商:石英晶體、晶體振蕩器、壓控晶體振蕩器的主要和關鍵的電子產品的一部分.津綻為客戶提供高質量的晶體組件在電子產品的廣泛使用,例如,無線、電信、網絡、計算機及外圍設備、GSM等通信設備.津綻一直支持臺灣與國際客戶提供質量晶體超過10年.
津綻晶振,32.768K,NXF 3-8晶振,插件32.768K系列為滿足市場不同產品對精度的要求,通常情況下分為±5PPM、±10PPM、±20PPM,如果有其他特殊要求的客戶也可以分為在精度上分為正偏差以及負偏差.音叉型表晶32.768K晶振在產品中使用溫度范圍可以達到—40°到+70°的寬溫要求.插件32.768K系列主要使用于較為高端大氣上檔次的汽車電子、智能家用電器、筆記本、插卡音響、智能手表、以及數碼相機等產品中.
石英晶振在選用晶片時應注意溫度范圍、晶振溫度范圍內的頻差要求,貼片晶振溫度范圍寬時(-40℃-85℃)晶振切割角度比窄溫(-10℃-70℃)切割角度應略高.對于晶振的條片,長邊為 X 軸,短邊為 Z 軸,面為 Y 軸.
對于圓片晶振,X、Z 軸較難區分,所以石英晶振對精度要求高的產品(如部分定單的 UM-1),會在 X 軸方向進行拉弦(切掉一小部分),以利于晶振的晶片有方向的裝架點膠,點膠點點在 Z 軸上.保證晶振產品的溫度特性.石英晶振產品電極的設計:石英晶振產品的電極對于石英晶體元器件來講作用是1.改變頻率;2.往外界引出電極;3.改變電阻;4.抑制雜波.第1、2、3項相對簡單,第4項的設計很關鍵,電極的形狀、尺寸、厚度以及電極的種類(如金、銀等)都會導致第4項的變化.特別是隨著晶振的晶片尺寸的縮小對于晶片電極設計的形狀及尺寸和精度上都有更高的要求---公差大小、位置的一致性等對晶振產品的影響的程度增大,故對電極的設計提出了更精準的要求.
NSK晶振規格 |
單位 |
NXF 3-8晶振頻率范圍 |
石英晶振基本條件 |
標準頻率 |
f_nom |
32.768KHZ |
標準頻率 |
儲存溫度 |
T_stg |
-20°C ~ +70°C |
裸存 |
工作溫度 |
T_use |
-10°C ~ +60°C |
標準溫度 |
激勵功率 |
DL |
200μW Max. |
推薦:1μW ~ 100μW |
頻率公差 |
f_— l |
±50 × 10-6 (標準), |
+25°C 對于超出標準的規格說明, |
頻率溫度特征 |
f_tem |
±30 × 10-6/-20°C ~ +70°C |
超出標準的規格請聯系我們. |
負載電容 |
CL |
12.5pF |
超出標準說明,請聯系我們. |
串聯電阻(ESR) |
R1 |
如下表所示 |
-40°C — +85°C, DL = 100μW |
頻率老化 |
f_age |
±5 × 10-6 / year Max. |
+25°C,第一年 |
在使用NSK晶振時應注意以下事項:
安裝時的注意事項導腳型晶振• 構造圓柱型晶振 (VT, VTC) 用玻璃密封 (參閱圖 1 和圖 2).
修改插件晶振彎曲導腳的方法(1) 要修改彎曲的導腳時,以及要取出晶振等情況下不能強制拔出導腳,如果強制地拔出導腳,會引起玻璃的破裂,而導致殼內真空濃度的下降,有可能促使晶振特性的惡化以及晶振芯片的破損(參閱圖 3).(2) 要修改彎曲的導腳時,要壓住外殼基側的導腳,且從上下方壓住彎曲的部位,再進行修改(參閱圖 4).
彎曲導腳的方法(1) 將導腳彎曲之后并進行焊接時,導腳上要留下離外殼0.5mm的直線部位.如果不留出導腳的直線部位而將導腳彎曲,有可能導致玻璃的破碎 (參閱圖5 和圖6).(2) 在導腳焊接完畢之后再將導腳彎曲時,務必請留出大于外殼直徑長度的空閑部分 (參閱圖7).臺灣津綻晶振,32.768K,NXF 3-8晶振
如果直接在外殼部位焊接,會導致殼內真空濃度的下降,使晶振特性惡化以及晶振芯片的破損.應注意將晶振平放時,不要使之與導腳相碰撞,請放長從外殼部位到線路板為止的導腳長度 (L) ,并使之大于外殼的直徑長度(D).
焊接方法焊接部位僅局限于導腳離開玻璃纖部位 1.0mm 以上的部位,并且請不要對外殼進行焊接.另外,如果利用高溫或長時間對導腳部位進行加熱,會導致晶振特性的惡化以及晶振的破損.因此,請注意對導腳部位的加熱溫度要控制在 300°C 以下,且加熱時間要控制在5秒以內 (外殼的部位的加熱溫度要控制在150°C以下).
深圳市億金電子有限公司 SHENZHEN YIJIN ELECTRONICS CO;LTD
聯系人黃娜:18924600166
工作QQ:857950243
貿易通:yijindz2014
座機:0755-27876565
郵箱:yijindz@163.com
微信:yijindz,公眾號:NDKcrystal
地址:廣東省深圳市寶安區107國道旁甲岸路
跟此產品相關的產品 / Related Products
- IQD晶振|WATCH-3X8晶振|LFXTAL001420Bulk|圓柱晶體
IQD晶振|WATCH-3X8晶振|LFXTAL001420Bulk|圓柱晶體,IQD晶振,WATCH-3X8圓柱晶體,無源晶振,LFXTAL001420Bulk晶振,石英晶體諧振器,進口插件晶振,3*8mm晶振,石英晶振,頻率32.768KHz,負載12.5pF,頻率容差10ppm,工作溫度范圍-20~70°C,無鉛環保晶振,高精度晶振,抗沖擊晶振,儲存卡晶振,家用電視機頂盒晶振,數字電表晶振,隨身聽晶振.
- ECS晶振,32.768K晶振,ECS-3X8X晶振
- 32.768K石英晶體頻率穩定性強,在各種產品中面對不同環境其晶振都能夠保持在10PPM高精度.具有極強的抗震性能,在常規的摔落以及物流運輸過程中都不會受到影響.每一批生產的晶振在出廠時都會經過嚴格的檢驗,采用24小時老化測試為質量嚴格把關.
- 美國西迪斯晶振,石英晶體,TFNC38晶振
- 音叉型32.768K表晶體積大小通常分為3x8mm和2x6mm兩種尺寸,晶振選用的材料都是選用的日本進口高質量品牌.檢驗測試儀器儀表都是選用的日本精工品牌一級設備,具有極強的抗震性能,在常規的摔落以及物流運輸過程中都不會受到影響.
晶振系列
日本進口晶振
- 京瓷晶振
- 精工晶振
- 西鐵城晶振
- 村田晶振
- 大河晶振
- KDS Quartz crystal
- NDK Quartz crystal
- EPSON Quartz crystal
- 富士晶振
- NAKA晶振
- SMI晶振
- NJR晶振
臺產晶振
歐美晶振
- CTS晶振
- 微晶晶振
- 瑞康晶振
- 康納溫菲爾德晶振
- 高利奇晶振
- Jauch晶振
- AbraconCrystal晶振
- 維管晶振
- ECScrystal晶振
- 日蝕晶振
- 拉隆晶振
- 格林雷晶振
- SiTimeCrystal晶振
- IDTcrystal晶振
- PletronicsCrystal晶振
- StatekCrystal晶振
- AEK晶振
- AEL晶振
- Cardinal晶振
- Crystek晶振
- Euroquartz晶振
- Frequency晶振
- GEYER晶振
- ILSI晶振
- KVG晶振
- MMDCOMP晶振
- MtronPTI晶振
- QANTEK晶振
- QuartzCom晶振
- QuartzChnik晶振
- SUNTSU晶振
- Transko晶振
- WI2WI晶振
- 韓國三呢晶振
- ITTI晶振
- ACT晶振
- Milliren晶振
- Lihom晶振
- rubyquartz晶振
- Oscilent晶振
- SHINSUNG晶振
- PDI晶振
- C-TECH晶振
- IQD晶振
- Microchip晶振
- Silicon晶振
- Fortiming晶振
- CORE晶振
- NIPPON晶振
- NIC晶振
- QVS晶振
- Bomar晶振
- Bliley晶振
- GED晶振
- FILTRONETICS晶振
- STD晶振
- Q-Tech晶振
- Anderson晶振
- Wenzel晶振
- NEL晶振
- EM晶振
- PETERMANN晶振
- FCD-Tech晶振
- HEC晶振
- FMI晶振
- Macrobizes晶振
- AXTAL晶振
- 瑞薩renesas晶振
- Skyworks晶振
有源晶振
霧化片
貼片晶振
32.768K
- 32.768K有源晶振
- 8.0x3.8晶振
- 7.1x3.3晶振
- 7.0x1.5晶振
- 5.0x1.8晶振
- 4.1x1.5晶振
- 3.2x1.5晶振
- 2.0x1.2晶振
- 1.6x1.0晶振
- 1.2x1.0晶振
- 圓柱晶振
聲表面濾波器
石英晶振
KDS晶振
愛普生晶振
- EPSON 32.768K晶振
- EPSON無源晶振
- EPSON普通有源晶振
- EPSON壓控晶振
- EPSON溫補晶振
- EPSON壓控溫補晶振
- EPSON恒溫晶振
- EPSON差分晶振
- EPSON可編程晶振