TXC晶振,恒溫晶體振蕩器,OC晶振
頻率:10M~16.384MHZ
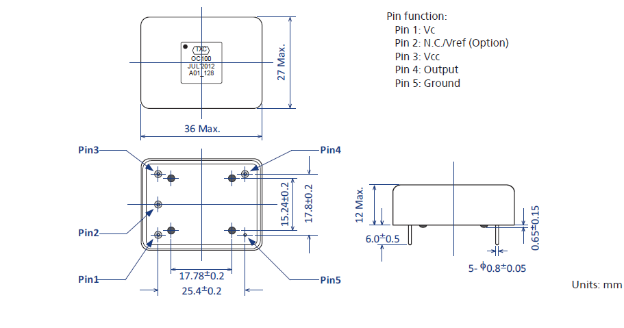
尺寸:36x27mm
有源晶振,是指晶體本身起振需要外部電壓供應,起振后可直接驅動CMOS 集成電路,產品本身已實現與薄型IC(TSSOP封裝,TVSOP封裝)同樣的1mm厚度,斷開時的消費電流是15µA以下,編帶包裝方式可對應自動搭載及IR回流焊接(無鉛對應)產品有幾種電壓供選1.8V,2.5V,3V3.3V,5V,以應對不同IC產品需要.
臺灣晶技TXC晶振公司是一家領先的專業頻率控制,溫補晶振,石英晶體振蕩器,石英晶體諧振器,石英晶體,石英晶振,有源晶振,壓控振蕩器等產品制造商致力于研究,設計,制造和銷售雙列直插封裝(DIP)和表面貼裝器件(SMD)石英晶體和振蕩器產品.
臺灣晶技TXC晶振公司目前專業從事這些類別的產品:晶體(32.768kHz,基本兆赫,高精度的兆赫,汽車級)
Oscillators(32.768kHz,CMOS硅MEMS,差分輸出,看到汽車級),壓控晶體振蕩器(CMOS差分輸出),TCXO(基礎、GPS、精密),壓控晶體振蕩器(VCXO晶振)、溫補晶體振蕩器(TCXO)、恒溫晶體振蕩器(OCXO)等.
臺灣TXC晶體勞工職業安全衛生議題近年成為世界各國及企業關注焦如何做到‘降低職業災害發生、確保工作場所安全、實施員工健康管理’一直是TXC晶體努力的方向,公司于2008年12月通過OHSAS18001職業安全衛生管理系統驗證,提供勞工符合系統要求的安全衛生工作環境.
TXC晶振,恒溫晶體振蕩器,OC晶振,有源晶振,是指晶體本身起振需要外部電壓供應,起振后可直接驅動CMOS 集成電路,產品本身已實現與薄型IC(TSSOP封裝,TVSOP封裝)同樣的1mm厚度,斷開時的消費電流是15 µA以下,編帶包裝方式可對應自動搭載及IR回流焊接(無鉛對應)產品有幾種電壓供選1.8V,2.5V,3V3.3V,5V,以應對不同IC產品需要.
有源晶振頻率越高一般價格越高.但頻率越高,頻差越大,從綜合角度考慮,一般工程師會選用頻率低但穩定的晶振,自己做倍頻電路.總之石英晶振是根據需要去選擇合適的頻率,并不是晶振頻率越大就越好.要看具體需求.比如基站中一般用10MHz的恒溫晶振(OCXO),因其有很好的頻率穩定性,屬于高端晶振.至于范圍,晶振的頻率做的太高的話,就會失去意義,因為有其他更好的晶振頻率產品代替.產品頻率范圍是:25kHz-1.3G,基本上所有應用中的晶振都可以在產品中找到.
在使用TXC晶振時應注意
根據特定的內部結構,支架的內部將晶體單元抽空或填充惰性氣體以保持其結構特點.
1.超聲波焊接機的使用
超聲波焊接機的使用會導致降解超聲共振引起的工作特性分析水晶碎片.
2.表面安裝型晶體單元的安裝
(1)嚴重的溫度變化
在長時間和反復的嚴重溫度變化下焊料可能會破裂;這是由于擴張造成的印刷線路板的溫度系數不同材料和表面貼裝型晶體陶瓷封裝.如果預期會出現這種情況并避免此類問題.
(2)自動安裝引起的沖擊
請注意,在自動安裝過程中,此類過程作為吸附,夾緊或安裝到電路板上,可以對晶體單元施加太大的機械沖擊,并且電氣特性可能會改變或惡化.TXC晶振,恒溫晶體振蕩器,OC晶振
(3)彎曲PC板引起的應力
如果晶體單元焊接到PC板后,則電路板是彎曲,機械應力可能導致焊接部分剝離或OCXO有源晶振晶體單元包裝破裂.
(4)接地端子
如果晶體單元配有接地端子,請確保將其焊接到GND或電源端子.如果不是接地,可能無法獲得正確的頻率.
深圳市億金電子有限公司 SHENZHEN YIJIN ELECTRONICS CO;LTD
聯系人黃娜:18924600166
工作QQ:857950243
貿易通:yijindz2014
座機:0755-27876565
郵箱:yijindz@163.com
微信:yijindz,公眾號:NDKcrystal
地址:廣東省深圳市寶安區107國道旁甲岸路
跟此產品相關的產品 / Related Products
- TXC晶振,恒溫晶振,OB晶振,恒溫晶體振蕩器
恒溫晶體振蕩器低電壓啟動功率,并且有多種電壓供選擇,比如有1.8V,2.5V,3.3V,3.8V,5V等,產品被廣泛應用于,平板筆記本,GPS系統,光纖通道,千兆以太網,串行ATA,串行連接SCSI,PCI-Express的SDH / SONET發射基站等領域.符合RoHS/無鉛.
晶振系列
日本進口晶振
- 京瓷晶振
- 精工晶振
- 西鐵城晶振
- 村田晶振
- 大河晶振
- KDS Quartz crystal
- NDK Quartz crystal
- EPSON Quartz crystal
- 富士晶振
- NAKA晶振
- SMI晶振
- NJR晶振
臺產晶振
歐美晶振
- CTS晶振
- 微晶晶振
- 瑞康晶振
- 康納溫菲爾德晶振
- 高利奇晶振
- Jauch晶振
- AbraconCrystal晶振
- 維管晶振
- ECScrystal晶振
- 日蝕晶振
- 拉隆晶振
- 格林雷晶振
- SiTimeCrystal晶振
- IDTcrystal晶振
- PletronicsCrystal晶振
- StatekCrystal晶振
- AEK晶振
- AEL晶振
- Cardinal晶振
- Crystek晶振
- Euroquartz晶振
- 福克斯晶振
- Frequency晶振
- GEYER晶振
- ILSI晶振
- KVG晶振
- MMDCOMP晶振
- MtronPTI晶振
- QANTEK晶振
- QuartzCom晶振
- QuartzChnik晶振
- SUNTSU晶振
- Transko晶振
- WI2WI晶振
- 韓國三呢晶振
- ITTI晶振
- ACT晶振
- Milliren晶振
- Lihom晶振
- rubyquartz晶振
- Oscilent晶振
- SHINSUNG晶振
- PDI晶振
- C-TECH晶振
- IQD晶振
- Microchip晶振
- Silicon晶振
- Fortiming晶振
- CORE晶振
- NIPPON晶振
- NIC晶振
- QVS晶振
- Bomar晶振
- Bliley晶振
- GED晶振
- FILTRONETICS晶振
- STD晶振
- Q-Tech晶振
- Anderson晶振
- Wenzel晶振
- NEL晶振
- EM晶振
- PETERMANN晶振
- FCD-Tech晶振
- HEC晶振
- FMI晶振
- Macrobizes晶振
- AXTAL晶振
- 瑞薩renesas晶振
- Skyworks晶振
有源晶振
霧化片
貼片晶振
32.768K
- 32.768K有源晶振
- 8.0x3.8晶振
- 7.1x3.3晶振
- 7.0x1.5晶振
- 5.0x1.8晶振
- 4.1x1.5晶振
- 3.2x1.5晶振
- 2.0x1.2晶振
- 1.6x1.0晶振
- 1.2x1.0晶振
- 圓柱晶振
聲表面濾波器
石英晶振
KDS晶振
愛普生晶振
- EPSON 32.768K晶振
- EPSON無源晶振
- EPSON普通有源晶振
- EPSON壓控晶振
- EPSON溫補晶振
- EPSON壓控溫補晶振
- EPSON恒溫晶振
- EPSON差分晶振
- EPSON可編程晶振