津綻晶振,石英晶振,NXG SMD晶振
頻率:32.768KHZ
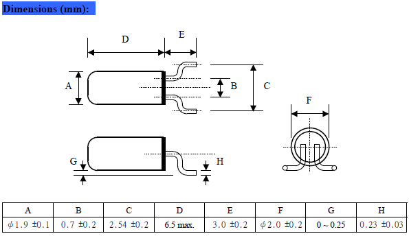
尺寸:2.0x6.0mm
臺灣津綻NSK晶體的石英水晶振蕩子,陶瓷振動子,32.768K,時鐘晶體,壓電石英晶體產品被廣泛地運用在個人計算器、安全系統、通訊、無線應用、遙控單元和消費性電子產品等,并已陸續獲得國內外計算機及通訊大廠認可及使用.
NSK已獲得ISO 9001 / ISO 14001的質量和環保認證,產品并通過及符合RoHS規范的要求,且確實配合客戶實現無毒產品的要求,以創造及維護美好環境為己任.
津綻晶振公司是世界領先的頻率控制組件制造商:石英晶體、石英晶體振蕩器、壓控晶體振蕩器的主要和關鍵的電子產品的一部分.津綻為客戶提供高質量的晶體組件在電子產品的廣泛使用,例如,無線、電信、網絡、計算機及外圍設備、GSM等通信設備.津綻一直支持臺灣與國際客戶提供質量晶體超過10年.
臺灣津綻NSK晶體科技股份有限公司,依據‘ISO 14001環境/OHSAS-18001安衛管理系統’要求制定本‘環境/安衛手冊’,以界定本公司環境/安衛管理系統之范圍,包括任何排除之細節及調整,并指引環境/安衛管理系統與各書面、辦法書之對應關系,包含在環境/安衛管理系統內之流程順序及交互作用的描述.本公司環境/安衛管理系統之適用范圍包含公司所有的活動、產品及服務.
津綻晶振,石英晶振,NXG SMD晶振,32.768K系列為滿足市場不同產品對精度的要求,通常情況下分為±5PPM、±10PPM、±20PPM,如果有其他特殊要求的客戶也可以分為在精度上分為正偏差以及負偏差.音叉型表晶32.768K晶振在產品中使用溫度范圍可以達到-20°到+70°的寬溫要求.插件32.768K系列主要使用于較為高端大氣上檔次的汽車電子、智能家用電器、筆記本、插卡音響、智能手表、以及數碼相機等產品中.
石英晶振高精度晶片的拋光技術:貼片晶振是目前晶片研磨技術中表面處理技術的最高技術,最終使晶振晶片表面更光潔,平行度及平面度更好,降低諧振電阻,提高Q值.從而達到一般研磨所達不到的產品性能,使石英晶振的等效電阻等更接近理論值,使晶振可在更低功耗下工作.使用先進的牛頓環及單色光的方法去檢測晶片表面的狀態.
單位 |
NXG SMD晶振頻率范圍 |
石英晶振基本條件 |
|
標準頻率 |
f_nom |
32.768KHZ |
標準頻率 |
儲存溫度 |
T_stg |
-20°C ~ +70°C |
裸存 |
工作溫度 |
T_use |
-10°C ~ +60°C |
標準溫度 |
激勵功率 |
DL |
200μW Max. |
推薦:1μW ~ 100μW |
頻率公差 |
f_— l |
±50 × 10-6 (標準), |
+25°C 對于超出標準的規格說明, |
頻率溫度特征 |
f_tem |
±30 × 10-6/-20°C ~ +70°C |
超出標準的規格請聯系我們. |
負載電容 |
CL |
12.5pF |
超出標準說明,請聯系我們. |
串聯電阻(ESR) |
R1 |
如下表所示 |
-40°C — +85°C, DL = 100μW |
頻率老化 |
f_age |
±5 × 10-6 / year Max. |
+25°C,第一年 |
在使用NSK晶振時應注意以下事項:
1:抗沖擊
抗沖擊是指晶振產品可能會在某些條件下受到損壞.例如從桌上跌落,摔打,高空拋壓或在貼裝過程中受到沖擊.如果產品已受過沖擊請勿使用.因為無論何種石英晶振,其內部晶片都是石英晶振制作而成的,高空跌落摔打都會給晶振照成不良影響.
2:輻射
將貼片晶振暴露于輻射環境會導致產品性能受到損害,因此應避免陽光長時間的照射.
3:化學制劑 / pH值環境
請勿在PH值范圍可能導致腐蝕或溶解石英晶振或包裝材料的環境下使用或儲藏這些產品.津綻晶振,石英晶振,NXG SMD晶振
4:粘合劑
請勿使用可能導致石英晶振所用的封裝材料,終端,組件,玻璃材料以及氣相沉積材料等受到腐蝕的膠粘劑.(比如,氯基膠粘劑可能腐蝕一個晶振的金屬“蓋”,從而破壞密封質量,降低性能.)
5:鹵化合物
請勿在鹵素氣體環境下使用晶振.即使少量的鹵素氣體,比如在空氣中的氯氣內或封裝所用金屬部件內,都可能產生腐蝕.同時,請勿使用任何會釋放出鹵素氣體的樹脂.
6:靜電
過高的靜電可能會損壞貼片晶振,請注意抗靜電條件.請為容器和封裝材料選擇導電材料.在處理的時候,請使用電焊槍和無高電壓泄漏的測量電路,并進行接地操作.
深圳市億金電子有限公司 SHENZHEN YIJIN ELECTRONICS CO;LTD
聯系人黃娜:18924600166
工作QQ:857950243
貿易通:yijindz2014
座機:0755-27876565
郵箱:yijindz@163.com
微信:yijindz,公眾號:NDKcrystal
地址:廣東省深圳市寶安區107國道旁甲岸路
跟此產品相關的產品 / Related Products
- Raltron晶振,32.768K晶振,R26-32.768-12.5-EXT-SMD-TR晶振
插件32.768K系列為滿足市場不同產品對精度的要求,通常情況下分為±5PPM、±10PPM、±20PPM,如果有其他特殊要求的客戶也可以分為在精度上分為正偏差以及負偏差.音叉型表晶32.768K晶振在產品中使用溫度范圍可以達到—20°到+70°的寬溫要求.插件32.768K系列主要使用于較為高端大氣上檔次的汽車電子、智能家用電器、筆記本、插卡音響、智能手表、以及數碼相機等產品中.
- ECS晶振,32.768K晶振,ECS-3X8X晶振
- 32.768K石英晶體頻率穩定性強,在各種產品中面對不同環境其晶振都能夠保持在10PPM高精度.具有極強的抗震性能,在常規的摔落以及物流運輸過程中都不會受到影響.每一批生產的晶振在出廠時都會經過嚴格的檢驗,采用24小時老化測試為質量嚴格把關.
- ECS晶振,32.768K晶振,ECS-2X6-FLX晶振,ECS-.327-12.5-13FLX-C晶振
- 插件32.768K系列為滿足市場不同產品對精度的要求,通常情況下分為±5PPM、±10PPM、±20PPM,如果有其他特殊要求的客戶也可以分為在精度上分為正偏差以及負偏差.音叉型表晶32.768K晶振在產品中使用溫度范圍可以達到—20°到+70°的寬溫要求.插件32.768K系列主要使用于較為高端大氣上檔次的汽車電子、智能家用電器、筆記本、插卡音響、智能手表、以及數碼相機等產品中.
晶振系列
日本進口晶振
- 京瓷晶振
- 精工晶振
- 西鐵城晶振
- 村田晶振
- 大河晶振
- KDS Quartz crystal
- NDK Quartz crystal
- EPSON Quartz crystal
- 富士晶振
- NAKA晶振
- SMI晶振
- NJR晶振
臺產晶振
歐美晶振
- CTS晶振
- 微晶晶振
- 瑞康晶振
- 康納溫菲爾德晶振
- 高利奇晶振
- Jauch晶振
- AbraconCrystal晶振
- 維管晶振
- ECScrystal晶振
- 日蝕晶振
- 拉隆晶振
- 格林雷晶振
- SiTimeCrystal晶振
- IDTcrystal晶振
- PletronicsCrystal晶振
- StatekCrystal晶振
- AEK晶振
- AEL晶振
- Cardinal晶振
- Crystek晶振
- Euroquartz晶振
- 福克斯晶振
- Frequency晶振
- GEYER晶振
- ILSI晶振
- KVG晶振
- MMDCOMP晶振
- MtronPTI晶振
- QANTEK晶振
- QuartzCom晶振
- QuartzChnik晶振
- SUNTSU晶振
- Transko晶振
- WI2WI晶振
- 韓國三呢晶振
- ITTI晶振
- ACT晶振
- Milliren晶振
- Lihom晶振
- rubyquartz晶振
- Oscilent晶振
- SHINSUNG晶振
- PDI晶振
- C-TECH晶振
- IQD晶振
- Microchip晶振
- Silicon晶振
- Fortiming晶振
- CORE晶振
- NIPPON晶振
- NIC晶振
- QVS晶振
- Bomar晶振
- Bliley晶振
- GED晶振
- FILTRONETICS晶振
- STD晶振
- Q-Tech晶振
- Anderson晶振
- Wenzel晶振
- NEL晶振
- EM晶振
- PETERMANN晶振
- FCD-Tech晶振
- HEC晶振
- FMI晶振
- Macrobizes晶振
- AXTAL晶振
- 瑞薩renesas晶振
- Skyworks晶振
有源晶振
霧化片
貼片晶振
32.768K
- 32.768K有源晶振
- 8.0x3.8晶振
- 7.1x3.3晶振
- 7.0x1.5晶振
- 5.0x1.8晶振
- 4.1x1.5晶振
- 3.2x1.5晶振
- 2.0x1.2晶振
- 1.6x1.0晶振
- 1.2x1.0晶振
- 圓柱晶振
聲表面濾波器
石英晶振
KDS晶振
愛普生晶振
- EPSON 32.768K晶振
- EPSON無源晶振
- EPSON普通有源晶振
- EPSON壓控晶振
- EPSON溫補晶振
- EPSON壓控溫補晶振
- EPSON恒溫晶振
- EPSON差分晶振
- EPSON可編程晶振