RIVER晶振,32.768K晶振,TFX-02S晶振
頻率:32.768KHZ
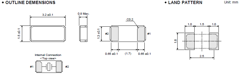
尺寸:3.2x1.5mm
大河晶振科技有限公司是日本リバーエレテック株式會社(RIVER ELETEC CORPORATION)的附屬公司,負責RIVER晶振,時鐘晶體,壓電石英晶體,有源晶體、壓電陶瓷諧振器、表晶32.768K等器件在整個中國大陸地區的市場營銷活動.
RIVER ELETEC是以生產晶體、晶振,石英晶振,有源晶振,壓控振蕩器為主的電子元器件廠家.尤其在SMD型(表貼型)小型水晶元器件方面一直處于行業領先地位,積累了許多獨特的技術,贏得了“小型元器件找RIVER”的信譽.
大河晶振自1949年生產電阻以來,公司一貫重視開發具有獨特性能的石英晶振,陶瓷晶振,聲表面諧振器,有源晶振,壓控振蕩器元器件,經過60多年的發展,RIVER ELETEC現已成為一個以研發和生產晶振為核心業務的日本上市公司,公司產品以不斷追求“小型化、高性能、高品質 ”為目標,服務于手機,IT,數碼,汽車等多個領域,擁有穩定的國內外客戶群體.
RIVER晶振,32.768K晶振,TFX-02S晶振,32.768KHz千赫子時鐘晶體,其本身主要應用在時鐘控制產品,或者是控制模塊,主要給時鐘芯片提供一個基準信號,其主要各項功能還得看應用何種產品.本產品具有小型,薄型,輕型的貼片晶振表面型音叉式石英晶體諧振器,產品具有優良的耐熱性,耐環境特性,可發揮晶振優良的電氣特性,符合RoHS規定,滿足無鉛焊接的高溫回流溫度曲線要求,金屬外殼的封裝使得產品在封裝時能發揮比陶瓷諧振器外殼更好的耐沖擊性.
石英晶振多層、多金屬的濺射鍍膜技術:是目前研發及生產高精度、高穩定性石英晶體元器件——石英晶振必須攻克的關鍵技術之一.石英晶振該選用何鍍材、鍍幾種材料、幾種鍍材的鍍膜順序,鍍膜的工藝方法(如各鍍材的功率設計等).使用此鍍膜方法使鍍膜后的晶振附著力增強,貼片晶振頻率更加集中,能控制在最小ppm之內.
大河晶振規格 |
單位 |
TFX-02S晶振頻率范圍 |
石英晶振基本條件 |
標準頻率 |
f_nom |
32.768KHZ |
標準頻率 |
儲存溫度 |
T_stg |
-40°C ~ +105°C |
裸存 |
工作溫度 |
T_use |
-40°C ~ +85°C |
標準溫度 |
激勵功率 |
DL |
200μW Max. |
推薦:1μW ~ 100μW |
頻率公差 |
f_— l |
±50 × 10-6 (標準), |
+25°C 對于超出標準的規格說明, |
頻率溫度特征 |
f_tem |
±30 × 10-6/-20°C ~ +70°C |
超出標準的規格請聯系我們. |
負載電容 |
CL |
7pF ~ ∞ |
超出標準說明,請聯系我們. |
串聯電阻(ESR) |
R1 |
如下表所示 |
-40°C — +85°C, DL = 100μW |
頻率老化 |
f_age |
±5 × 10-6 / year Max. |
+25°C,第一年 |
在使用大河晶振時應注意以下事項:
1:抗沖擊
抗沖擊是指晶振產品可能會在某些條件下受到損壞.例如從桌上跌落,摔打,高空拋壓或在貼裝過程中受到沖擊.如果產品已受過沖擊請勿使用.因為無論何種石英晶振,其內部晶片都是石英晶振制作而成的,高空跌落摔打都會給晶振照成不良影響.
2:輻射
將貼片晶振暴露于輻射環境會導致產品性能受到損害,因此應避免陽光長時間的照射.
3:化學制劑 / pH值環境
請勿在PH值范圍可能導致腐蝕或溶解石英晶振或包裝材料的環境下使用或儲藏這些產品.
4:粘合劑
請勿使用可能導致石英晶振所用的封裝材料,終端,組件,玻璃材料以及氣相沉積材料等受到腐蝕的膠粘劑.(比如,氯基膠粘劑可能腐蝕一個晶振的金屬“蓋”,從而破壞密封質量,降低性能.)
5:鹵化合物
請勿在鹵素氣體環境下使用晶振.即使少量的鹵素氣體,比如在空氣中的氯氣內或封裝所用金屬部件內,都可能產生腐蝕.同時,請勿使用任何會釋放出鹵素氣體的樹脂.大河晶振,RIVER晶振,32.768K晶振,TFX-02S晶振
6:靜電
過高的靜電可能會損壞貼片晶振,請注意抗靜電條件.請為容器和封裝材料選擇導電材料.在處理的時候,請使用電焊槍和無高電壓泄漏的測量電路,并進行接地操作.
深圳市億金電子有限公司 SHENZHEN YIJIN ELECTRONICS CO;LTD
聯系人黃娜:18924600166
工作QQ:857950243
貿易通:yijindz2014
座機:0755-27876565
郵箱:yijindz@163.com
微信:yijindz,公眾號:NDKcrystal
地址:廣東省深圳市寶安區107國道旁甲岸路
跟此產品相關的產品 / Related Products
- 臺灣晶技晶振,32.768K晶振,AH晶振
- 我司主要代理日本進口石英晶體諧振器,愛普生晶振,KDS晶體,西鐵城晶振,精工晶體,日本進口的32.768KHz系列晶振產品多元化,外觀尺寸有多項選擇,并且支持無源以及有源晶振應用,有一個很棒的是幾個知名晶振品牌之間產品可以交替替換,比如愛普生的FC-135,西鐵城的CM315D,精工的SC-32S,KDS的DST310S這四款的32.768K外觀尺寸3.2*1.5*0.75mm均是一致,產品頻率,精度,負載都可以達到相同,所以消費者在使用方面得到很到的保障,這幾款產品本身使用無鉛化,卷帶SMD包裝,產品一般應用在智能手機,控制模組,GPS導航模塊,小型藍牙對接產品等設備.
- 德國Jauch晶振,32.768K晶振,JTX310晶振
- 我司主要代理日本進口石英晶體諧振器,愛普生晶振,KDS晶體,西鐵城晶振,精工晶體,日本進口的32.768KHz系列晶振產品多元化,外觀尺寸有多項選擇,并且支持無源以及有源晶振應用,有一個很棒的是幾個知名晶振品牌之間產品可以交替替換,比如愛普生的FC-135,西鐵城的CM315D,精工的SC-32S,KDS的DST310S這四款的32.768K外觀尺寸3.2*1.5*0.75mm均是一致,產品頻率,精度,負載都可以達到相同,所以消費者在使用方面得到很到的保障,這幾款產品本身使用無鉛化,卷帶SMD包裝,產品一般應用在智能手機,控制模組,GPS導航模塊,小型藍牙對接產品等設備.
- 西迪斯晶振,貼片晶振,TF32晶振,TF322P32K7680R晶振,TFA32晶振,TFE32晶振
- 32.768KHZ系列,在當今全球晶振市場說的上是質優價廉,產品本身外觀是多種化,體積有大有小,有二個腳SMD焊接模式,也有三個腳SMD焊接模式,一樣有四個腳焊接模式,還有時鐘模塊焊接模式,產品具有無源32.768KHZ,也有帶電壓模式的32.768KHZ晶體系列,產品應用范圍非常廣闊,比如多種電子消費類,手機應用,藍牙多功能播放器,無線通訊產品,平板電腦等多個領域,因32.768KHZ晶體本身外觀款式多元化,所以適合多個產品應用.并且滿足歐盟ROHS環保要求,晶體本身有重量輕,體積小,超薄型等多種優勢,得到市場認可.
晶振系列
日本進口晶振
- 京瓷晶振
- 精工晶振
- 西鐵城晶振
- 村田晶振
- 大河晶振
- KDS Quartz crystal
- NDK Quartz crystal
- EPSON Quartz crystal
- 富士晶振
- NAKA晶振
- SMI晶振
- NJR晶振
臺產晶振
歐美晶振
- CTS晶振
- 微晶晶振
- 瑞康晶振
- 康納溫菲爾德晶振
- 高利奇晶振
- Jauch晶振
- AbraconCrystal晶振
- 維管晶振
- ECScrystal晶振
- 日蝕晶振
- 拉隆晶振
- 格林雷晶振
- SiTimeCrystal晶振
- IDTcrystal晶振
- PletronicsCrystal晶振
- StatekCrystal晶振
- AEK晶振
- AEL晶振
- Cardinal晶振
- Crystek晶振
- Euroquartz晶振
- Frequency晶振
- GEYER晶振
- ILSI晶振
- KVG晶振
- MMDCOMP晶振
- MtronPTI晶振
- QANTEK晶振
- QuartzCom晶振
- QuartzChnik晶振
- SUNTSU晶振
- Transko晶振
- WI2WI晶振
- 韓國三呢晶振
- ITTI晶振
- ACT晶振
- Milliren晶振
- Lihom晶振
- rubyquartz晶振
- Oscilent晶振
- SHINSUNG晶振
- PDI晶振
- C-TECH晶振
- IQD晶振
- Microchip晶振
- Silicon晶振
- Fortiming晶振
- CORE晶振
- NIPPON晶振
- NIC晶振
- QVS晶振
- Bomar晶振
- Bliley晶振
- GED晶振
- FILTRONETICS晶振
- STD晶振
- Q-Tech晶振
- Anderson晶振
- Wenzel晶振
- NEL晶振
- EM晶振
- PETERMANN晶振
- FCD-Tech晶振
- HEC晶振
- FMI晶振
- Macrobizes晶振
- AXTAL晶振
- 瑞薩renesas晶振
- Skyworks晶振
有源晶振
霧化片
貼片晶振
32.768K
- 32.768K有源晶振
- 8.0x3.8晶振
- 7.1x3.3晶振
- 7.0x1.5晶振
- 5.0x1.8晶振
- 4.1x1.5晶振
- 3.2x1.5晶振
- 2.0x1.2晶振
- 1.6x1.0晶振
- 1.2x1.0晶振
- 圓柱晶振
聲表面濾波器
石英晶振
KDS晶振
愛普生晶振
- EPSON 32.768K晶振
- EPSON無源晶振
- EPSON普通有源晶振
- EPSON壓控晶振
- EPSON溫補晶振
- EPSON壓控溫補晶振
- EPSON恒溫晶振
- EPSON差分晶振
- EPSON可編程晶振