sitime可編程晶體振蕩器,SiT1533晶振,2012有源晶振
頻率:32.768KHZ
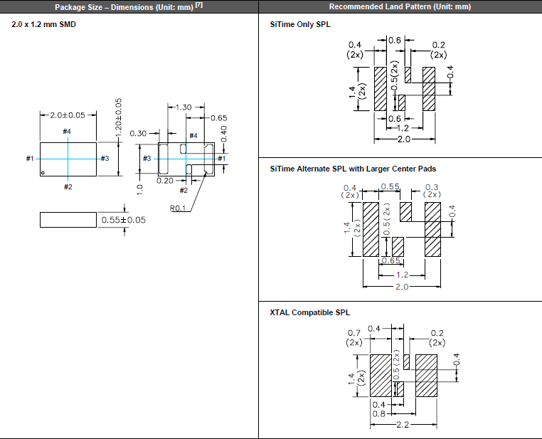
尺寸:2.0*1.2mm


應用在各類電子鐘表、計時模塊用途的晶振也被俗稱為表晶/鐘振,在此領域,sitime可編程晶體振蕩器,SiT1533晶振,2012有源晶振為用戶供全方位的產品線。其中音叉晶振的優勢在于價格相對低廉,缺點在于負載電容匹配相對復雜,電路調試較麻煩。而有32.768kHz源晶振和實時時鐘模塊( RTC )則可以輕松解決這個問題。
由于無源晶體對匹配電容和串聯電阻等因素選擇不合理,容易造成晶振不起振的現象。尤其在小批量試驗時沒問題,批量投產時卻出現不起振現象較多, 穩定性不好的情況最麻煩。對此,愛普生的建議是首選使用32.768khz有源晶振或者實時時鐘模塊.由于內部電路都E經匹配好,可以有效避免不起振問題。
SiTime晶振公司,MEMS和模擬半導體公司,提供了業界最好的時間解決方案.我們的團隊熱衷于解決高性能電子產品中最困難的時間問題.我們已經向世界各地的客戶運送了超過6.25億臺設備,占MEMS時間的90%,并且年增長率超過50%.SiTime是MegaChips公司(東京證券交易所:6875)的獨立子公司, 主要以生產高精度石英晶體振蕩器,可編程晶體振蕩器等器件為主.
在過去的幾十年里,石英晶體振蕩器、時鐘發生器和石英晶體諧振器是電子器件中主要的參考計時元件.由于沒有其他選擇,OEMs和ODMs接受了石英定時裝置固有的局限性.現在,有了強大的MEMS諧振器和高性能模擬電路,SiTime晶振公司已經開發出突破石英器件限制的突破性解決方案,研發出高性能貼片晶振,石英晶體振蕩器,可編程石英晶體振蕩器等.

Frequency and Stability | ||
Fixed Output Frequency | 32.768KHZ | |
Total Frequency Stability | ±75 ppm | TA = -10°C to +70°C, Vdd: 1.5V – 3.63V. |
First Year Frequency Aging | ±100 ppm | TA = -40°C to +85°C, Vdd: 1.5V – 3.63V. |
Supply Voltage and Current Consumption | ||
Integrated Phase Jitter | 0.065~0.125 nsRMS |
Integration bandwidth = 100 Hz to 16.384 kHz. Inclusive of 50 mV
peak-to-peaks inusoidal noise on Vdd. Noise frequency 100 Hz to
20 MHz.
|
Power-Supply Ramp | 100 MS | 10,000 samples, per JEDEC standard 65B |
Start-up Time at Power-up | 180~300 ms | |
Start-up Time at Power-up | 450 ms | Under temp ramp up to 1.5°C/sec |
Supply Voltage and Current Consumption | ||
Operating Supply Voltage |
1.2~3.63V 1.5~3.63V |
TA = -10°C to +70°C TA = -40°C to +85°C |

SiTime晶振環保基本理念:
1.作為良好的企業市民,遵循本公司的行動方針,充分關心維護地球環境.遵守國內外的有關環保法規.
2.保護自然環境,充分關注自然生態等方面的環境保護,維持和保全生物多樣性.
3.有效利用資源和能源,認識到資源和能源的有限性,努力進行有效利用.
4為構建循環型社會做出貢獻,致力于石英晶振晶體原材料減少廢棄物及廢棄物的再利用核再生循環,努力構建循環型社會.
5.推進環保型業務,充分發揮綜合實力,推進環保型業務,為減輕社會的環境負荷做出貢獻.
6.建立環境管理系統,充分運用環境管理系統,設定環境目的和目標,定期修正,不斷改善,努力預防環境污染.
SiTime晶振完全符合ISO14001環境管理體系國際標準的要求,體現了一個適合、三個承諾和一個框架:sitime可編程晶體振蕩器,SiT1533晶振,2012有源晶振
建造美麗家園——適合于我公司的生產活動、產品以及服務過程的性質.規模與環境影響;
持續改進——持續改進環境績效和環境管理體系的承諾;
減少石英晶振晶體材料污染,節能降耗——污染預防的承諾;
依法治理——遵守現行適用的環境法律、法規和其他要求的承諾;
“減少污染,節能降耗,建造美麗家園;依法治理,持續改進,凈化一片藍天”提供了建立和評審環境目標和指標的框架.
深圳市億金電子有限公司 SHENZHEN YIJIN ELECTRONICS CO;LTD
聯系人黃娜:18924600166
工作QQ:857950243
貿易通:yijindz2014
座機:0755-27876565
郵箱:yijindz@163.com
微信:yijindz,公眾號:NDKcrystal
地址:廣東省深圳市寶安區107國道旁甲岸路
跟此產品相關的產品 / Related Products
晶振系列
日本進口晶振
- 京瓷晶振
- 精工晶振
- 西鐵城晶振
- 村田晶振
- 大河晶振
- KDS Quartz crystal
- NDK Quartz crystal
- EPSON Quartz crystal
- 富士晶振
- NAKA晶振
- SMI晶振
- NJR晶振
臺產晶振
歐美晶振
- CTS晶振
- 微晶晶振
- 瑞康晶振
- 康納溫菲爾德晶振
- 高利奇晶振
- Jauch晶振
- AbraconCrystal晶振
- 維管晶振
- ECScrystal晶振
- 日蝕晶振
- 拉隆晶振
- 格林雷晶振
- SiTimeCrystal晶振
- IDTcrystal晶振
- PletronicsCrystal晶振
- StatekCrystal晶振
- AEK晶振
- AEL晶振
- Cardinal晶振
- Crystek晶振
- Euroquartz晶振
- 福克斯晶振
- Frequency晶振
- GEYER晶振
- ILSI晶振
- KVG晶振
- MMDCOMP晶振
- MtronPTI晶振
- QANTEK晶振
- QuartzCom晶振
- QuartzChnik晶振
- SUNTSU晶振
- Transko晶振
- WI2WI晶振
- 韓國三呢晶振
- ITTI晶振
- ACT晶振
- Milliren晶振
- Lihom晶振
- rubyquartz晶振
- Oscilent晶振
- SHINSUNG晶振
- PDI晶振
- C-TECH晶振
- IQD晶振
- Microchip晶振
- Silicon晶振
- Fortiming晶振
- CORE晶振
- NIPPON晶振
- NIC晶振
- QVS晶振
- Bomar晶振
- Bliley晶振
- GED晶振
- FILTRONETICS晶振
- STD晶振
- Q-Tech晶振
- Anderson晶振
- Wenzel晶振
- NEL晶振
- EM晶振
- PETERMANN晶振
- FCD-Tech晶振
- HEC晶振
- FMI晶振
- Macrobizes晶振
- AXTAL晶振
- 瑞薩renesas晶振
- Skyworks晶振
有源晶振
霧化片
貼片晶振
32.768K
- 32.768K有源晶振
- 8.0x3.8晶振
- 7.1x3.3晶振
- 7.0x1.5晶振
- 5.0x1.8晶振
- 4.1x1.5晶振
- 3.2x1.5晶振
- 2.0x1.2晶振
- 1.6x1.0晶振
- 1.2x1.0晶振
- 圓柱晶振
聲表面濾波器
石英晶振
KDS晶振
愛普生晶振
- EPSON 32.768K晶振
- EPSON無源晶振
- EPSON普通有源晶振
- EPSON壓控晶振
- EPSON溫補晶振
- EPSON壓控溫補晶振
- EPSON恒溫晶振
- EPSON差分晶振
- EPSON可編程晶振