德國Jauch晶振,石英晶體,HC49-U晶振
頻率:1.8432M~250MHZ
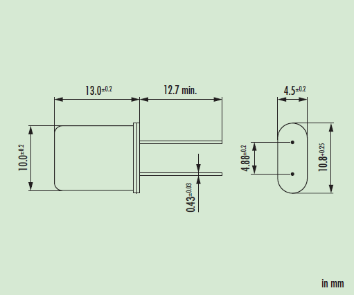
尺寸:10.8x4.5mm
Jauch晶振集團是石英晶體、晶體振蕩器和電池技術的主要專家之一.公司成立于1954年,現在是一家領先的壓電石英晶體元器件、壓電石英晶體、有源晶體頻率控制產品行業的公司,最近也有創新的MEMS計時時鐘.
Jauch晶振深入的技術咨詢、高應用程序和認證技術、先進的測試環境、高可用性和快速交付的產品以及世界上最大的頻率生成設備倉庫.
自2003年以來,Jauch Quartz France一直是Jauch晶振集團的組成部分.快速反應時間,一個有才華員工的小而靈活的團隊,以及我們強大的客戶中心使我們成為典型的Jauch公司.我們提供各種壓電石英晶體元器件、壓電石英晶體、有源晶體、石英晶振,有源晶振,壓控振蕩器產品,從Jauch的產品組合.電力供應、連接器和電纜、聲學組件、鍵盤和變壓器為我們提供了在法國市場上額外的銷售和增長機會.
Jauch石英晶振集團位于villingen - schwenningen的總部的生產設施,以及時的方式滿足世界各地的客戶需求:MEMS振蕩器在我們自己的生產設施中配置和交付,并注重及時.
Jauch晶振作為一家全球活躍的公司,我們所有的業務關系都是建立在整個組織的一致的企業社會責任意識之上的.Jauch每天都致力于為我們的員工以及我們的石英晶體振蕩器,有源晶振,石英晶振客戶、供應商以及參與我們企業成功的每個人提供最高的公司治理標準.我們按照社會標準和現行法律進行所有活動.我們的基本原則,關于雇員的安全和健康,童工,歧視,公平工資,腐敗,賄賂以及環境保護,都在Jauch集團的行為守則中得到了支持.我們希望每個參與公司成功的人都能遵守這些行政原則.
德國Jauch晶振,石英晶體,HC49-U晶振,49U石英晶振,外觀完全使用金屬材料封裝的,產品本身采用全自動石英晶體檢測儀,以及跌落,漏氣等苛刻實驗.產品本身具有高穩定性,高可靠性的石英晶體諧振器,焊接方面支持表面貼裝,外觀采用金屬封裝,具有充分的密封性能,晶振本身能確保其高可靠性,采用編帶包裝,可對應產品應用到自動貼片機告訴安裝,滿足無鉛焊接的高溫回流溫度曲線要求
石英晶振高精度晶片的拋光技術:貼片晶振是目前晶片研磨技術中表面處理技術的最高技術,最終使晶振晶片表面更光潔,平行度及平面度更好,降低諧振電阻,提高Q值.從而達到一般研磨所達不到的產品性能,使石英晶振的等效電阻等更接近理論值,使晶振可在更低功耗下工作.使用先進的牛頓環及單色光的方法去檢測晶片表面的狀態.
Jauch晶振規格 |
單位 |
HC49-U晶振頻率范圍 |
石英晶振基本條件 |
標準頻率 |
f_nom |
1.8432MHZ~250MHZ |
標準頻率 |
儲存溫度 |
T_stg |
-40°C ~ +125°C |
裸存 |
工作溫度 |
T_use |
-40°C ~ +85°C |
標準溫度 |
激勵功率 |
DL |
200μW Max. |
推薦:1μW ~ 100μW |
頻率公差 |
f_— l |
±50 × 10-6 (標準), |
+25°C 對于超出標準的規格說明, |
頻率溫度特征 |
f_tem |
±30 × 10-6/-20°C ~ +70°C |
超出標準的規格請聯系我們. |
負載電容 |
CL |
8pF ~32PF |
不同負載電容要求,請聯系我們. |
串聯電阻(ESR) |
R1 |
如下表所示 |
-40°C — +85°C, DL = 100μW |
頻率老化 |
f_age |
±5 × 10-6 / year Max. |
+25°C,第一年 |
在使用Jauch晶振時應注意以下事項
1:抗沖擊
抗沖擊是指晶振產品可能會在某些條件下受到損壞.例如從桌上跌落,摔打,高空拋壓或在貼裝過程中受到沖擊.如果產品已受過沖擊請勿使用.因為無論何種石英晶振,其內部晶片都是石英晶振制作而成的,高空跌落摔打都會給晶振照成不良影響.
2:輻射
將貼片晶振暴露于輻射環境會導致產品性能受到損害,因此應避免陽光長時間的照射.德國Jauch晶振,石英晶體,HC49-U晶振
3:化學制劑 / pH值環境
請勿在PH值范圍可能導致腐蝕或溶解石英晶振或包裝材料的環境下使用或儲藏這些產品.
4:粘合劑
請勿使用可能導致石英晶振所用的封裝材料,終端,組件,玻璃材料以及氣相沉積材料等受到腐蝕的膠粘劑.(比如,氯基膠粘劑可能腐蝕一個晶振的金屬“蓋”,從而破壞密封質量,降低性能.)
5:鹵化合物
請勿在鹵素氣體環境下使用晶振.即使少量的鹵素氣體,比如在空氣中的氯氣內或封裝所用金屬部件內,都可能產生腐蝕.同時,請勿使用任何會釋放出鹵素氣體的樹脂.
6:靜電
過高的靜電可能會損壞貼片晶振,請注意抗靜電條件.請為容器和封裝材料選擇導電材料.在處理的時候,請使用電焊槍和無高電壓泄漏的測量電路,并進行接地操作.
深圳市億金電子有限公司 SHENZHEN YIJIN ELECTRONICS CO;LTD
聯系人黃娜:18924600166
工作QQ:857950243
貿易通:yijindz2014
座機:0755-27876565
郵箱:yijindz@163.com
微信:yijindz,公眾號:NDKcrystal
地址:廣東省深圳市寶安區107國道旁甲岸路
跟此產品相關的產品 / Related Products
- 韓國進口SUNNY晶振,SA18120A3-18.000-G-T&R無源晶振,6G室外基站49U晶振
- 韓國進口SUNNY晶振,SA18120A3-18.000-G-T&R無源晶振,6G室外基站49U晶振,韓國SUNNY晶振公司,49U晶振,插件晶振,二腳晶振,石英晶振,無源晶振,6G戶外基站晶振,6G局域網晶振,韓國進口晶振,HC-49/U型包裝,AT-Cut晶體設計,電阻焊密封,磁帶和卷軸,絕緣體標簽,三個引線和自定義引線長度選項可用,無鉛,符合RoHS標準
- 美國進口高精度Abracon晶振AB,AB-12.288MHZ-B2插件晶振
美國進口高精度Abracon晶振AB,AB-12.288MHZ-B2插件晶振,美國艾博康晶振公司,石英晶振,插件晶振,49U晶振,美國進口晶振,高精度晶振,Abracon晶振,AB晶振,AB-12.288MHZ-B2晶振,家庭影音系統晶振,攝像頭模塊晶振,高品質晶振,無源晶振,AB-14.31818MHZ-B2-T晶振,AB-19.6608MHZ-B2-T晶振,AB-24.576MHZ-B2F-T晶振
- ECS晶振,石英晶振,UM-1晶振,UM-5晶振,UM-4晶振
- 插件石英晶振最適合用于比較低端的電子產品,比如兒童玩具,普通家用電器,即使在汽車電子領域中也能使產品高可靠性的使用.并且可用于安全控制裝置的CPU時鐘信號發生源部分,好比時鐘單片機上的石英晶振,在極端嚴酷的環境條件下,晶振也能正常工作,具有穩定的起振特性,高耐熱性,耐熱循環性和耐振性等的高可靠性能
晶振系列
日本進口晶振
- 京瓷晶振
- 精工晶振
- 西鐵城晶振
- 村田晶振
- 大河晶振
- KDS Quartz crystal
- NDK Quartz crystal
- EPSON Quartz crystal
- 富士晶振
- NAKA晶振
- SMI晶振
- NJR晶振
臺產晶振
歐美晶振
- CTS晶振
- 微晶晶振
- 瑞康晶振
- 康納溫菲爾德晶振
- 高利奇晶振
- Jauch晶振
- AbraconCrystal晶振
- 維管晶振
- ECScrystal晶振
- 日蝕晶振
- 拉隆晶振
- 格林雷晶振
- SiTimeCrystal晶振
- IDTcrystal晶振
- PletronicsCrystal晶振
- StatekCrystal晶振
- AEK晶振
- AEL晶振
- Cardinal晶振
- Crystek晶振
- Euroquartz晶振
- 福克斯晶振
- Frequency晶振
- GEYER晶振
- ILSI晶振
- KVG晶振
- MMDCOMP晶振
- MtronPTI晶振
- QANTEK晶振
- QuartzCom晶振
- QuartzChnik晶振
- SUNTSU晶振
- Transko晶振
- WI2WI晶振
- 韓國三呢晶振
- ITTI晶振
- ACT晶振
- Milliren晶振
- Lihom晶振
- rubyquartz晶振
- Oscilent晶振
- SHINSUNG晶振
- PDI晶振
- C-TECH晶振
- IQD晶振
- Microchip晶振
- Silicon晶振
- Fortiming晶振
- CORE晶振
- NIPPON晶振
- NIC晶振
- QVS晶振
- Bomar晶振
- Bliley晶振
- GED晶振
- FILTRONETICS晶振
- STD晶振
- Q-Tech晶振
- Anderson晶振
- Wenzel晶振
- NEL晶振
- EM晶振
- PETERMANN晶振
- FCD-Tech晶振
- HEC晶振
- FMI晶振
- Macrobizes晶振
- AXTAL晶振
- 瑞薩renesas晶振
- Skyworks晶振
有源晶振
霧化片
貼片晶振
32.768K
- 32.768K有源晶振
- 8.0x3.8晶振
- 7.1x3.3晶振
- 7.0x1.5晶振
- 5.0x1.8晶振
- 4.1x1.5晶振
- 3.2x1.5晶振
- 2.0x1.2晶振
- 1.6x1.0晶振
- 1.2x1.0晶振
- 圓柱晶振
聲表面濾波器
石英晶振
KDS晶振
愛普生晶振
- EPSON 32.768K晶振
- EPSON無源晶振
- EPSON普通有源晶振
- EPSON壓控晶振
- EPSON溫補晶振
- EPSON壓控溫補晶振
- EPSON恒溫晶振
- EPSON差分晶振
- EPSON可編程晶振