golledge晶振,時鐘晶振,GSX-200晶振
頻率:32.768KHz
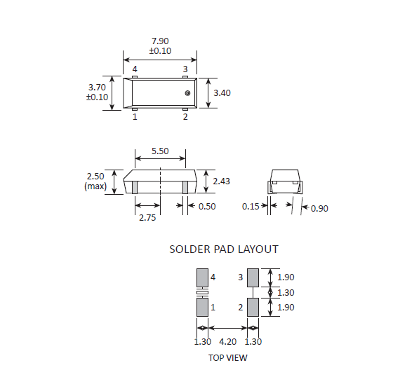
尺寸:7.9*3.7*2.43mm
SMD陶瓷面貼片晶振,表面陶瓷封裝,其實是屬于壓電石英晶振,是高可靠的環保性能,嚴格的頻率分選,編帶盤裝,可應用于高速自動貼片機焊接,產品本身設計合理,成本和性能良好,產品被廣泛應用于平板電腦,MP5,數碼相機,USB接口最佳選擇,包含RoHS指令豁免的密封玻璃中的鉛.
高利奇公司晶振現在是英國領先的頻率控制產品供應商,這一增長是通過保持我們對客戶的需求以及努力達到并超越他們的努力來實現的。高利奇公司晶振總部位于英格蘭西南部腹地的一個美麗的農場建筑,石英晶體向全世界50多個國家出口,占收入的60%以上。高利奇晶振公司專業和高效的方法使之成為世界上許多領先的電子oem和CEMs的首選供應商,專用IT人員確保操作得到最高質量和安全系統的支持。陶瓷殼壓電石英晶體諧振器,8038無源時鐘晶體,GSX-200晶振
我們在競爭市場上的持續成功是對我們產品質量和卓越服務的敬意,電子和技術相關產業正在迅速發展。在SMD晶振技術進步和商業世界的發展中,高利奇有足夠的資源和靈活性來支持客戶的需求,我們的專業和高效的方法使我們成為許多領先的電子設備OEM和河北的首選供應商。golledge晶振,時鐘晶振,GSX-200晶振
高利奇晶振,時鐘晶振,GSX-200晶振.小體積SMD時鐘晶體諧振器,是貼片音叉晶體,千赫頻率元件,應用于時鐘模塊,智能手機,全球定位系統,因產品本身體積小,SMD編帶型,可應用于高性能自動貼片焊接,被廣泛應用到各種小巧的便攜式消費電子數碼時間產品,環保性能符合ROHS/無鉛標準。是通過在基座與上蓋之間高頻率連續低功率脈沖焊接放電,使基座與上蓋焊接部位熔接在一起,目前通過長期試驗,已總結一套工藝參數,輸入PLC進行焊接控制,利用此技術密封的石英晶振氣密性高,金屬濺射污染少,頻率變化小,一般在±20ppm以內。陶瓷殼壓電石英晶體諧振器,8038無源時鐘晶體,GSX-200晶振
高利奇晶振規格 |
單位 |
GSX-200晶振 |
石英晶振基本條件 |
|
標準頻率 |
f_nom |
32.768KHZ |
標準頻率 |
|
儲存溫度 |
T_stg |
-55°C ~ +125°C |
裸存 |
|
工作溫度 |
T_use |
-40°C ~ +85°C |
標準溫度 |
|
激勵功率 |
DL |
1.0μW Max. |
推薦:1μW ~ 100μW |
|
頻率公差 |
f_— l |
±20 × 10-6 (標準), |
+25°C 對于超出標準的規格說明, |
|
頻率溫度特征 |
f_tem |
±30 × 10-6/-20°C ~ +70°C |
超出標準的規格請聯系我們. |
|
負載電容 |
CL |
12.5pF |
不同負載要求,請聯系我們. |
|
串聯電阻(ESR) |
R1 |
如下表所示 |
-40°C — +85°C, DL = 100μW |
|
頻率老化 |
f_age |
±5 × 10-6 / year Max. |
+25°C,第一年 |
抗沖擊
貼片晶振可能會在某些條件下受到損壞。例如從桌上跌落或在貼裝過程中受到沖擊。如果產品已受過沖擊請勿使用。
輻射
暴露于輻射環境會導致石英晶體性能受到損害,因此應避免照射。golledge晶振,時鐘晶振,GSX-200晶振
化學制劑 / pH值環境
請勿在PH值范圍可能導致腐蝕或溶解陶瓷殼無源晶振或包裝材料的環境下使用或儲藏這些產品。
粘合劑
請勿使用可能導致SMD晶振所用的封裝材料,終端,組件,玻璃材料以及氣相沉積材料等受到腐蝕的膠粘劑。 (比如,氯基膠粘劑可能腐蝕一個晶體單元的金屬“蓋”,從而破壞密封質量,降低性能。)
鹵化合物
請勿在鹵素氣體環境下使用8038貼片晶振。即使少量的鹵素氣體,比如在空氣中的氯氣內或封裝所用金屬部件內,都可能產生腐蝕。同時,請勿使用任何會釋放出鹵素氣體的樹脂。陶瓷殼壓電石英晶體諧振器,8038無源時鐘晶體,GSX-200晶振
靜電
過高的靜電可能會損壞進口32.768K晶振,請注意抗靜電條件。請為容器和封裝材料選擇導電材料。在處理的時候,請使用電焊槍和無高電壓泄漏的測量電路,并進行接地操作。
深圳市億金電子有限公司 SHENZHEN YIJIN ELECTRONICS CO;LTD
聯系人黃娜:18924600166
工作QQ:857950243
貿易通:yijindz2014
座機:0755-27876565
郵箱:yijindz@163.com
微信:yijindz,公眾號:NDKcrystal
地址:廣東省深圳市寶安區107國道旁甲岸路
跟此產品相關的產品 / Related Products
- 美國CTS晶振,32.768K晶振,TFPM晶振
- 32.768KHz千赫子時鐘晶體,其本身主要應用在時鐘控制產品,或者是控制模塊,主要給時鐘芯片提供一個基準信號,其主要各項功能還得看應用何種產品.本產品具有小型,薄型,輕型的貼片晶振表面型音叉式石英晶體諧振器,產品具有優良的耐熱性,耐環境特性,可發揮晶振優良的電氣特性,符合RoHS規定,滿足無鉛焊接的高溫回流溫度曲線要求.
- 高利奇晶振,32.768K晶振,GSX-200晶振
- 32.768K系列產品本身具有體積小,厚度薄,重量輕等特點,此音叉型石英晶體諧振器,晶振產品本身具備優良的耐熱性,耐環境特性,在辦公自動化,家電領域,移動通信領域可發揮優良的電氣特性,符合無鉛標準,滿足無鉛焊接的回流溫度曲線要求,
- 泰藝晶振,32.768K晶振,XN8038晶振
- 32.768K系列產品本身具有體積小,厚度薄,重量輕等特點,此音叉型石英晶體諧振器,晶振產品本身具備優良的耐熱性,耐環境特性,在辦公自動化,家電領域,移動通信領域可發揮優良的電氣特性,符合無鉛標準,滿足無鉛焊接的回流溫度曲線要求,金屬外殼的石英晶振使得產品在封裝時能發揮比陶瓷晶振外殼更好的耐沖擊性能.
晶振系列
日本進口晶振
- 京瓷晶振
- 精工晶振
- 西鐵城晶振
- 村田晶振
- 大河晶振
- KDS Quartz crystal
- NDK Quartz crystal
- EPSON Quartz crystal
- 富士晶振
- NAKA晶振
- SMI晶振
- NJR晶振
臺產晶振
歐美晶振
- CTS晶振
- 微晶晶振
- 瑞康晶振
- 康納溫菲爾德晶振
- 高利奇晶振
- Jauch晶振
- AbraconCrystal晶振
- 維管晶振
- ECScrystal晶振
- 日蝕晶振
- 拉隆晶振
- 格林雷晶振
- SiTimeCrystal晶振
- IDTcrystal晶振
- PletronicsCrystal晶振
- StatekCrystal晶振
- AEK晶振
- AEL晶振
- Cardinal晶振
- Crystek晶振
- Euroquartz晶振
- 福克斯晶振
- Frequency晶振
- GEYER晶振
- ILSI晶振
- KVG晶振
- MMDCOMP晶振
- MtronPTI晶振
- QANTEK晶振
- QuartzCom晶振
- QuartzChnik晶振
- SUNTSU晶振
- Transko晶振
- WI2WI晶振
- 韓國三呢晶振
- ITTI晶振
- ACT晶振
- Milliren晶振
- Lihom晶振
- rubyquartz晶振
- Oscilent晶振
- SHINSUNG晶振
- PDI晶振
- C-TECH晶振
- IQD晶振
- Microchip晶振
- Silicon晶振
- Fortiming晶振
- CORE晶振
- NIPPON晶振
- NIC晶振
- QVS晶振
- Bomar晶振
- Bliley晶振
- GED晶振
- FILTRONETICS晶振
- STD晶振
- Q-Tech晶振
- Anderson晶振
- Wenzel晶振
- NEL晶振
- EM晶振
- PETERMANN晶振
- FCD-Tech晶振
- HEC晶振
- FMI晶振
- Macrobizes晶振
- AXTAL晶振
- 瑞薩renesas晶振
- Skyworks晶振
有源晶振
霧化片
貼片晶振
32.768K
- 32.768K有源晶振
- 8.0x3.8晶振
- 7.1x3.3晶振
- 7.0x1.5晶振
- 5.0x1.8晶振
- 4.1x1.5晶振
- 3.2x1.5晶振
- 2.0x1.2晶振
- 1.6x1.0晶振
- 1.2x1.0晶振
- 圓柱晶振
聲表面濾波器
石英晶振
KDS晶振
愛普生晶振
- EPSON 32.768K晶振
- EPSON無源晶振
- EPSON普通有源晶振
- EPSON壓控晶振
- EPSON溫補晶振
- EPSON壓控溫補晶振
- EPSON恒溫晶振
- EPSON差分晶振
- EPSON可編程晶振