IDT晶振集團在RF、高性能定時、存儲接口、實時互聯、光互聯、無線電源及智能傳感器方面的市場導向型產品,是該公司一系列廣泛的通信、計算、消費、汽車和工業領域混合信號完整解決方案的一部分.IDT的設計、生產、銷售場所和經銷合作伙伴遍及全世界,主要生產晶振,石英晶振,有源晶振,壓控振蕩器,(PXO)普通晶體振蕩器,(TCXO)溫補晶體振蕩器,壓電石英晶體元器件、壓電石英晶體、有源晶體等元器件.
IDT晶振集團開發了能夠與處理器,存儲器等數字系統,其他半導體以及物理世界連接的半導體解決方案.IDT認為作為一名行業領導者努力解決我們環境所面臨的挑戰以及社會需求是我們義不容辭的責任.IDT晶振作為較為出色的國際企業,致力于研發生產銷售晶振,石英晶振,有源晶振,壓控振蕩器,溫補晶振,石英晶體振蕩器等水晶元件.不斷提高生產技術以及開發更多高精密石英晶體元器件.IDT 的集成電路被全球的通信、計算和消費產業廣泛采用,在全球各地設有研發生產以及運營銷售基地.
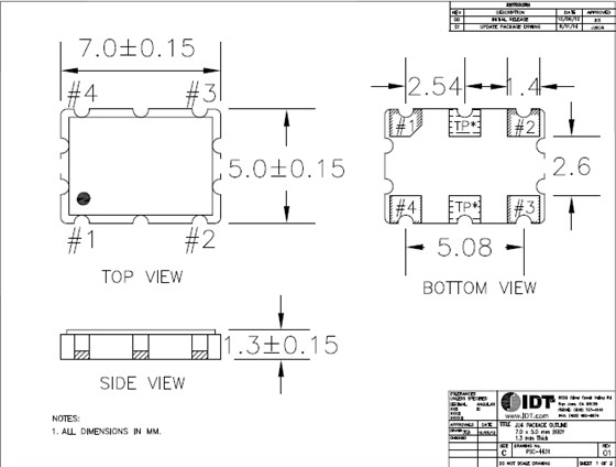
IDT晶振,有源晶振,XLH晶振,5032晶振,XLH53V100.000000I晶振貼片式石英晶體振蕩器,低電壓啟動功率,并且有多種電壓供選擇,比如有1.8V,2.5V,3.3V,3.8V,5V等,產品被廣泛應用于,平板筆記本,GPS系統,光纖通道,千兆以太網,串行ATA,串行連接SCSI,PCI-Express的SDH / SONET發射基站等領域.符合RoHS/無鉛.
有源晶振高頻振蕩器使用IC與晶片設計匹配技術:有源晶振是高頻振蕩器研發及生產過程必須要解決的技術難題.在設計過程中除了要考慮石英晶體諧振器具有的電性外,還有石英晶體振蕩器的電極設計等其它的特殊性,必須考慮石英晶體振蕩器的供應電壓、起動電壓和產品上升時間、下降時間等相關參數.
項目 |
符號 |
條件 |
|
輸出頻率范圍 |
f0 |
0.750M~250MHZ |
請聯系我們以便獲取其它可用頻率的相關信息 |
電源電壓 |
VCC |
1.60 V to 3.63 V |
請聯系我們以了解更多相關信息 |
儲存溫度 |
T_stg |
-55℃ to +125℃ |
裸存 |
工作溫度 |
T_use |
G: -40℃ to +85℃ |
請聯系我們查看更多資料http://www.gslzqx.com |
H: -40℃ to +105℃ |
|||
J: -40℃ to +125℃ |
|||
頻率穩定度 |
f_tol |
J: ±50 × 10-6 |
|
L: ±100 × 10-6 |
|||
T: ±150 × 10-6 |
|||
功耗 |
ICC |
3.5 mA Max. |
無負載條件、最大工作頻率 |
待機電流 |
I_std |
3.3μA Max. |
ST=GND |
占空比 |
SYM |
45 % to 55 % |
50 % VCC 極, L_CMOS≦15 pF |
輸出電壓 |
VOH |
VCC-0.4V Min. |
|
VOL |
0.4 V Max. |
|
|
輸出負載條件 |
L_CMOS |
15 pF Max. |
|
輸入電壓 |
VIH |
80% VCCMax. |
ST終端 |
VIL |
20 % VCCMax. |
||
上升/下降時間 |
tr / tf |
4 ns Max. |
20 % VCCto 80 % VCC極, L_CMOS=15 pF |
振蕩啟動時間 |
t_str |
3 ms Max. |
t=0 at 90 % |
頻率老化 |
f_aging |
±3 × 10-6/ year Max. |
+25 ℃, 初年度,第一年 |

在使用IDT晶振時應該注意以下事項:
晶振在使用過程中需要注意哪些事項,晶振產品在使用過程中產生不良都有那些原因照成的,如果石英晶振產生了不良我們又該怎么處理,怎么去預防在以后的生產過程中確保品質不在出問題.IDT晶振,有源晶振,XLH晶振,5032晶振,XLH53V100.000000I晶振
大家都知道晶振其實分為很多的類別,比如陶瓷諧振器,以及石英晶體諧振器,石英晶體振蕩器,那么石英晶體振蕩器又稱呼為有源晶振,何為有源晶振?
有源的意思就是帶有電壓功能,是只產品在使用過程中首先需要通過電壓起振,一般有源晶振的電壓在3.3V-5V之間.其實有源晶振在細分的情況下又能分成壓控振蕩器(VCXO)以及溫補晶振(TCXO)這兩者又可以合并為壓控溫補晶振(VC-TCXO),壓控晶振的原理簡單的說就是產品在工作過程中有一個電壓穩定控制功能,當石英晶振在使用過程中遇到電壓變大或者變小的情況下,產品可以在自帶電壓功能的情況下把電壓控制在可接受范圍,以及控制振蕩器的PPM精度,不超出在需要的頻率內,使其能夠穩定的給CPU提供精準信號,這就是SMD壓控振蕩器的主要特點.那么溫補晶振(TCXO)又有什么特點,溫補晶振簡單的來說就是在工作過程中起到溫度補償功能,那怎么個溫度補償法呢?
其實原理跟壓控振蕩器一樣,比如說溫補晶振電壓有1.6V-1.8V-2.2V-2.8V-3V-3.3V-5V等幾款常用電壓.溫補晶振在工作過程中如果遇到了溫度變化很大的情況下,那這個時候溫度補償就起作用了,比如說溫補晶振的基本精度要求是0.5PPM,常溫要求是2ppm,那如果低溫超出的常溫的情況下,晶體的溫補功能就會把精度控制在一定的范圍內,使精度變化在一個要求值的范圍,穩定在高精度要求內給CPU提供穩定的信號.