CTS晶振公司成立于1896年,CTS公司(NYSE:CTS)是一個領先的設計師和制造商的傳感器、執行器和電子組件石英晶振在航空航天、通訊、國防、工業、信息技術、醫療和交通運輸市場.本公司在北美、亞洲和歐洲擁有12個生產基地,致力于為全球各地的工業伙伴提供先進的技術、卓越的客戶服務和優越的價值.CTS的目標是在技術的前沿,為世界各地的產品和服務的創造和提升提供創新的石英晶振,晶體振蕩器,傳感、連接和運動解決方案.
CTS晶振公司為信息技術和電信市場提供貼片晶振,溫補晶振,石英晶體振蕩器等多種電子元件.這些可以在宏小區基站發現,小蜂窩基站、衛星通信系統、回程通信的應用,以及無線和有線基礎設施.CTS在信息技術和電信市場的創新支持市場部門的發展趨勢,如低功耗,更小的形式因素,增加帶寬需求和物聯網(物聯網).
TS石英晶振集團建立一種可測量的發展和改進的目標指標,定期進行內審和管理評審.在現有的或新生的各種活動中不斷監測和改進環境績效.通過對生產活動的持續改進和促進對低效或無效的環境法律法規進行合理化轉變,努力提高環境管理中資本的效力.
將生產活動中的環境因素和環境影響的分析納入我們的決策中來,確保活動中每一分子的運作和發展都體現對污染預防方針的貫徹.
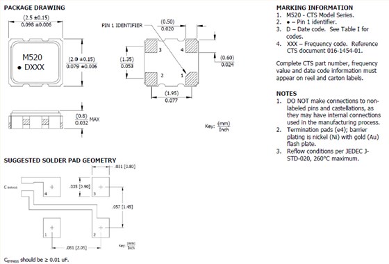
CTS晶振,壓控溫補晶振,520晶振,520T25IA40M0000晶振,具有最適合于移動通信設備用途的高穩定的頻率溫度特性.為對應低電源電壓的產品.(可對應DC +1.8 V±0.1 V to +3.2 V±0.1 V )高度:最高1.0 mm,體積:0.007 cm3,重量:0.024g,超小型,輕型.低消耗電流,表面貼片型產品.(可對應回流焊) 無鉛產品.滿足無鉛焊接的回流溫度曲線要求.
超小型、超低頻石英晶振晶片的邊緣處理技術:是超小型、超低頻石英晶振晶體元器件研發及生產必須解決的技術問題,為壓電石英晶振行業的技術難題之一.CTS晶振具體解決的辦法是使用高速倒邊方式,通過結合以往低速滾筒倒邊去除晶振晶片的邊緣效應,在實際操作中機器運動方式設計、滾筒的曲率半徑、滾筒的長短、使用的研磨砂的型號、多少、填充物種類及多少等各項設計必須合理,有一項不完善都會使石英晶振晶片的邊緣效應不能去除,而石英晶振晶片的諧振電阻過大,用在電路中Q值過小,從而電路不能振動或振動不穩定.

CTS晶振型號 |
520晶振 |
|
輸出頻率范圍 |
10M~52MHZ |
|
標準頻率 |
19.2MHz/26MHz/38.4MHz/40MHz/52MHz |
|
電源電壓范圍 |
+1.68~+3.5V |
|
電源電壓(Vcc) |
+1.8V/+2.6V/+2.8V/+3.0V/+3.3V |
|
消耗電流 |
+1.5mA max.(f≦26MHz)/+2.0mA max.(26<f≦52MHz)/+2.5mA max.(f≦60MHz) |
|
待機時電流 |
-更多詳細參數歡迎咨詢億金電子http://www.gslzqx.com |
|
輸出電壓 |
0.8Vp-p min.(f≦52MHz)(削峰正弦波/DC-coupled) |
|
輸出負載 |
10kΩ//10pF |
|
頻率穩定度 |
常溫偏差 |
±1.5×10-6max.(After 2 reflows) |
溫度特性 |
±1.0×10-6,±2.5×10-6max./-30~+85℃ |
|
電源電壓特性 |
±0.2×10-6max.(VCC±5%) |
|
負載變化特性 |
±0.2×10-6max.(10kΩ//10pF±10%) |
|
長期變化 |
±1.0×10-6max./year |
|
頻率控制 |
控制靈敏度 |
±3.0×10-6,±5.0×10-6/Vcont=+1.4V±1V@VCC≧+2.6V |
頻率控制極性 |
正極性 |
使用CTS晶振時應注意以下事項
1.產品目錄所記載的晶振型號是參考規格.產品規格請以正式規格書為準.
2.產品目錄所記載的產品,是用于一般電子產品(如:信息機器類,通信機器類,音響映像機器類,測量機器類,家電產品類等).
對用于有特殊品質/信賴性要求的,其故障或誤動作直接威脅人體生命的裝置及系統(如:交通工具,安全裝置,宇宙航空用,核動力制御,生命維持裝置等),請務必事先和銷售代表聯系商談.
3.在設計時,請在最大使用/動作電源電壓,動作溫度等保證范圍內使用.超過保證范圍數值進行使用,誤用,不正確使用等所引起的一切后果,本公司概不負責.CTS晶振,壓控溫補晶振,520晶振,520T25IA40M0000晶振
4.產品晶振目錄所記載的動作概要及設計回路等,是用于說明產品的標準動作和使用方法.在實際使用產品時,請考慮外部諸多使用條件之后,再進行回路/安裝設計.