IDT晶振集團開發了能夠與處理器,存儲器等數字系統,其他半導體以及物理世界連接的半導體解決方案.IDT認為作為一名行業領導者努力解決我們環境所面臨的挑戰以及社會需求是我們義不容辭的責任.IDT晶振作為較為出色的國際企業,致力于研發生產銷售晶振,石英晶振,有源晶振,壓控振蕩器,溫補晶振,石英晶體振蕩器等水晶元件.不斷提高生產技術以及開發更多高精密石英晶體元器件.IDT 的集成電路被全球的通信、計算和消費產業廣泛采用,在全球各地設有研發生產以及運營銷售基地.
IDT晶振集團在RF、高性能定時、存儲接口、實時互聯、光互聯、無線電源及智能傳感器方面的市場導向型產品,是該公司一系列廣泛的通信、計算、消費、汽車和工業領域混合信號完整解決方案的一部分.IDT的設計、生產、銷售場所和經銷合作伙伴遍及全世界,主要生產晶振,石英晶振,有源晶振,壓控振蕩器,(PXO)普通晶體振蕩器,(TCXO)溫補晶體振蕩器,壓電石英晶體元器件、壓電石英晶體、有源晶體等元器件.
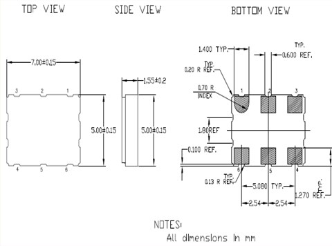
IDT晶振,差分晶振,8N3D085晶振,SMD有源晶振,從最初超大體積到現在的7050mm,6035mm,5032mm,3225mm,2520mm體積,有著翻天覆地的改變,體積的變小也試產品帶來了更高的穩定性能,接縫密封石英晶體振蕩器,精度高,覆蓋頻率范圍寬的特點,SMD高速自動安裝和高溫回流焊設計,Optionable待機輸出三態輸出功能,電源電壓范圍:1.8V?5 V,高穩定性,低抖動,低功耗,主要應用領域:無線通訊,高端智能手機,平板筆記本WLAN,藍牙,數碼相機,DSL和其他IT產品的晶振應用,三態功能,PC和LCDM等高端數碼領域,符合RoHS/無鉛.
石英晶振曲率半徑加工技術:石英晶振晶片在球筒倒邊加工時應用到的加工技術,主要是研究滿足不同曲率半徑石英晶振晶片設計可使用的方法.如:1、是指球面加工曲率半徑的工藝設計( a、球面的余弦磨量; b、球面的均勻磨量;c、球面加工曲率半徑的配合)2、在加工時球面測量標準的設計原則(曲率半徑公式的計算).
IDT晶振型號 |
符號 |
8N3D085晶振 |
輸出規格 |
- |
LV-PECL |
輸出頻率范圍 |
fo |
15.476M~866.67MHZ |
電源電壓 |
VCC |
+2.5V±0.125V/+3.3V±0.165V |
頻率公差 |
f_tol |
±50×10-6max., ±100×10-6max. |
保存溫度范圍 |
T_stg |
-40~+85℃ |
運行溫度范圍 |
T_use |
-10~+70℃ ,-40~+85℃ |
消耗電流 |
ICC |
45mA max. (fo≦170MHz) |
待機時電流(#1引腳"L") |
I_std |
10μA max. |
輸出負載 |
Load-R |
50Ω to VCC-2V |
波形對稱 |
SYM |
45~55% [at outputs cross point] |
0電平電壓 |
VOL |
VCC-1.81?VCC-1.62V |
1電平電壓 |
VOH |
VCC-1.025?VCC-0.88V |
上升時間 下降時間 |
tr, tf |
0.5ns max. [20?80% Output, OutputN] |
差分輸出電壓 |
VOD1, VOD2 |
-超出標準的規格說明,請聯系我們以便獲取相關的信息http://www.gslzqx.com |
差分輸出誤差 |
⊿VOD |
- |
補償電壓 |
VOS |
- |
補償電壓誤差 |
⊿VOS |
- |
交叉點電壓 |
Vcr |
- |
OE端子0電平輸入電壓 |
VIL |
VCC×0.3 max. |
OE端子1電平輸入電壓 |
VIH |
VCC×0.7 min. |
輸出禁用時間 |
tPLZ |
200ns |
輸出使能時間 |
tPZL |
2ms |
周期抖動(1) |
tRMS |
5ps typ. (13.5MHz≦fo<27MHz) / 2.5ps typ. (27MHz≦fo<212.5MHz) (σ) |
tp-p |
33ps typ. (13.5MHz≦fo<27MHz) / 22ps typ. (27MHz≦fo<212.5MHz) (Peak to peak) |
|
總抖動(1) |
tTL |
50ps typ. (13.5MHz≦fo<27MHz) / 35ps typ. (27MHz≦fo<212.5MHz) [tDJ + n×tRJ n=14.1(BER=1×10-12) (2)] |
相位抖動 |
tpj |
1.5ps max. (13.5MHz≦fo<27MHz) / 1ps max. (27MHz≦fo<212.5MHz) |

在使用IDT晶振時應該注意以下事項:
如何正確的使用有源晶振
電處理:
將電源連接到有源晶振指定的終端,確定正確的極性這目錄所示.注意電源的正負電極逆轉或者連接到一個終端以,以為外的指定一個產品部分內的石英晶振,假如損壞那將不會工作.此外如果外接電源電壓高于晶振的規定電壓值,就很可能會導致石英晶振產品損壞.所以外接電壓很重要,一定要確保使用正確的額定電壓的振蕩,但如果電壓低于額定的電壓值部分產品將會不起振,或者起不到最佳精度.IDT晶振,差分晶振,8N3D085晶振
有源晶振的負載電容與阻抗
負載電容與阻抗有源晶振設置一個規定的負載阻抗值.當一個值除了規定的一個設置為負載阻抗輸出頻率和輸出電平不會滿足時,指定的值這可能會導致問題例如:失真的輸出波形.特別是設置電抗,根據規范的負載阻抗.輸出頻率和輸出電平,當測量輸出頻率或輸出水平,晶體振蕩器調整的輸入阻抗,測量儀器的負載阻抗晶體振蕩器.當輸入阻抗的測量儀器,不同的負載阻抗的晶體振蕩器,測量輸出頻率或輸出水平高,阻抗阻抗測量可以忽略.