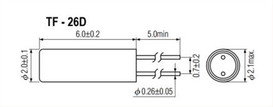
SHINSUNG晶振,TF-26D晶振,TF-26D-20-32.768KHz-12.5pF晶振,32.768K插件晶振最適合用于比較低端的電子產品,比如兒童玩具,普通家用電器,即使在汽車電子領域中也能使產品高可靠性的使用.并且可用于安全控制裝置的CPU時鐘信號發生源部分,好比時鐘單片機上的石英晶振,在極端嚴酷的環境條件下,晶振也能正常工作,具有穩定的起振特性,高耐熱性,耐熱循環性和耐振性等.
Mar.2001開始開發SMD OSC和Crystal
Jul.2002開始批量生產可編程振蕩器
Aug.2009完成SMD Crystal(3225尺寸)的開發
2009年12月成SMD VCTCXO(5032尺寸)的開發,開始批量生產SMD VCXO(7050,5032尺寸)
2010年1月完成SMD振蕩器(3225尺寸)的開發,開始批量生產SMD水晶(3225尺寸)
2010年4月在800MHz頻段(7050,14x9.6尺寸)完成LVPECL VCXO的開發,開始批量生產SMD振蕩器(3225尺寸),開始批量生產SMD LVPECL振蕩器(7050尺寸)
AUG.2011開始生產SMD VCTCXO(3225尺寸)
Mar.2012成立附屬研究所。
韓國新松晶振成立,主要生產石英晶體,石英晶體振蕩器,貼片晶振等元件.多年來一直以追求質量,為客戶提供高品質的SHINSUNG晶振產品和一流的服務為經營理念。SHINSUNG晶振,TF-26D晶振,TF-26D-20-32.768KHz-12.5pF晶振.

type | TF - 26D | REMARK | ||
frequency range | 32.768 KHz | |||
frequency stability | ± 10ppm ~ ± 50ppm | at +25℃ ±3℃ | ||
operating temperature | STD. -10℃ ~ 70℃ / Option : -40℃ ~ 90℃ | -80 ppm / -160 ppm | ||
temperature coefficient | -0.034 ppm/℃ 2 TYP. / -0.04 ppm/℃ 2 max | typ. | ||
storage temperature | -40℃ ~ 90℃ | |||
drive level | 1µw max | |||
load capacitance | 8.0 pF typ. | 12.5 pF typ. | 12.5 pF typ. | |
shunt capacitance (Co) | 1.0 pF max | 1.5 pF max | 1.8 pF max | |
equivalent series resistance | 40 KΩ max | 35 KΩ max | 35 KΩ max | |
aging | ±3.0ppm max at +25℃±3℃for first year | |||
insulation resistance | 500MΩ min @ 100V | |||
All specifications are subject to change without notice |
SHINSUNG晶振環保基本理念:
1.作為良好的企業市民,遵循本公司的行動方針,充分關心維護地球環境.遵守國內外的有關環保法規.
2.保護自然環境,充分關注自然生態等方面的環境保護,維持和保全生物多樣性.
3.有效利用資源和能源,認識到資源和能源的有限性,努力進行有效利用.
4為構建循環型社會做出貢獻,致力于32.768K石英晶體原材料減少廢棄物及廢棄物的再利用核再生循環,努力構建循環型社會.SHINSUNG晶振,TF-26D晶振,TF-26D-20-32.768KHz-12.5pF晶振.
5.推進環保型業務,充分發揮綜合實力,推進環保型業務,為減輕社會的環境負荷做出貢獻.
6.建立環境管理系統,充分運用環境管理系統,設定環境目的和目標,定期修正,不斷改善,努力預防環境污染.
SHINSUNG晶振完全符合ISO14001環境管理體系國際標準的要求,體現了一個適合、三個承諾和一個框架:
建造美麗家園——適合于我公司的生產活動、產品以及服務過程的性質.規模與環境影響;
持續改進——持續改進環境績效和環境管理體系的承諾;
減少石英晶振晶體材料污染,節能降耗——污染預防的承諾;
依法治理——遵守現行適用的環境法律、法規和其他要求的承諾;
“減少污染,節能降耗,建造美麗家園;依法治理,持續改進,凈化一片藍天”提供了建立和評審環境目標和指標的框架.